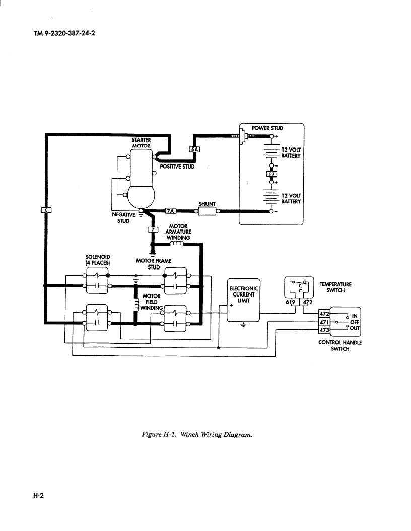
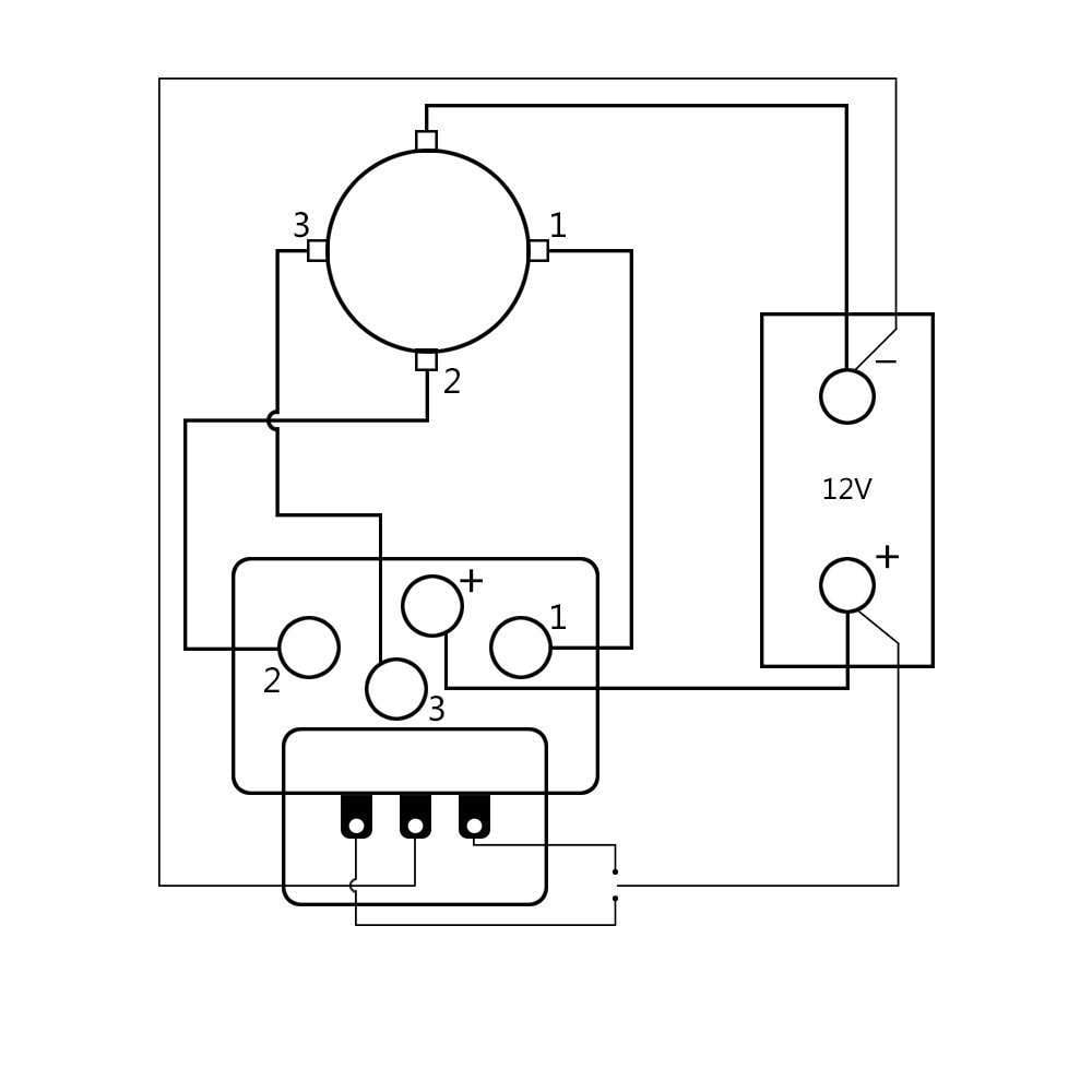
Are you looking for a reliable and efficient 12 volt winch solenoid wiring diagram? Look no further! In this article, we will provide you with all the information you need to properly wire your 12 volt winch solenoid.
Whether you are a beginner or an experienced DIY enthusiast, understanding the wiring diagram is crucial for the successful installation and operation of your winch solenoid. By following the correct wiring instructions, you can ensure that your winch operates smoothly and safely.

Related Post 5 Channel Amplifier Wiring Diagram
Next, carefully study the wiring diagram to familiarize yourself with the different components and connections. Pay close attention to the color coding of the wires and the specific terminals where they need to be connected. This will help prevent any errors during the installation process.
Once you have a good understanding of the wiring diagram, start by connecting the wires according to the instructions provided. Make sure to securely fasten the connections using crimp connectors and insulate them with electrical tape to prevent any short circuits.
After you have completed the wiring process, double-check all connections to ensure they are secure and properly insulated. Test the winch to make sure it is functioning correctly before putting it to use. Congratulations! You have successfully wired your 12 volt winch solenoid.
In conclusion, understanding and following the 12 volt winch solenoid wiring diagram is essential for the safe and efficient operation of your winch. By taking the time to properly wire your winch solenoid, you can enjoy hassle-free use for years to come. Happy winching!
Download and Print 12 Volt Winch Solenoid Wiring Diagram Listed below


