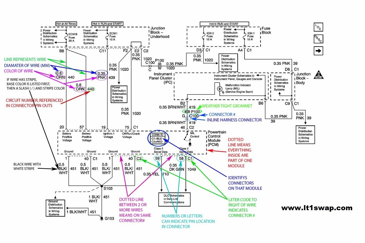
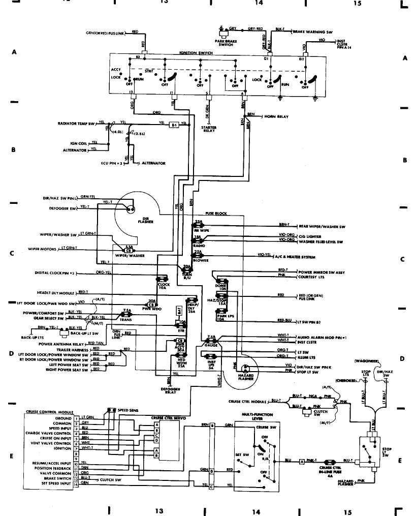
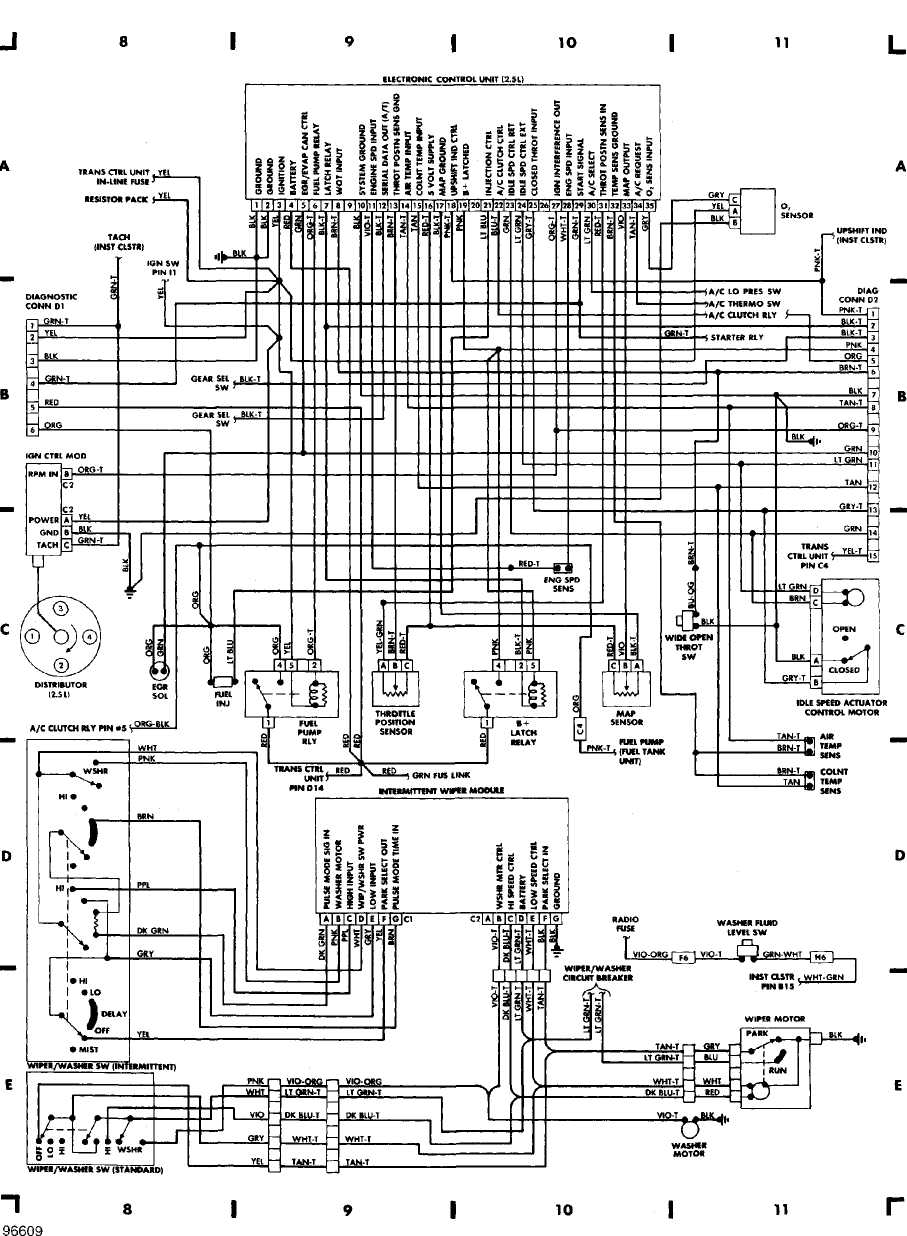
Thinking about doing some work on your 1987 Jeep? One thing you might need is the entire under hood wiring diagram. It’s crucial for any DIY project to have the right information at your fingertips.
With the right wiring diagram, you can easily troubleshoot any electrical issues and make sure everything is connected properly. It’s like having a road map for your car’s electrical system!

Related Post Air Conditioner Contactor Wiring Diagram
Whether you’re tackling a simple repair or a more complex electrical overhaul, having the right information is key. With the wiring diagram in hand, you’ll feel confident and empowered to take on any project.
Don’t let electrical issues hold you back from enjoying your Jeep to the fullest. With the right wiring diagram, you can tackle any problem head-on and keep your vehicle running smoothly for years to come.
So, if you’re ready to take your DIY skills to the next level and work on your 1987 Jeep, make sure you have the entire under hood wiring diagram on hand. It’s a small investment that can make a big difference in the success of your project.
Get your hands on the 1987 Jeep entire under hood wiring diagram today and start working on your car with confidence. You’ll be amazed at how much easier and more enjoyable your DIY projects become when you have the right information at your fingertips.
Download and Print 1987 Jeep Entire Under Hood Wiring Diagram Listed below




