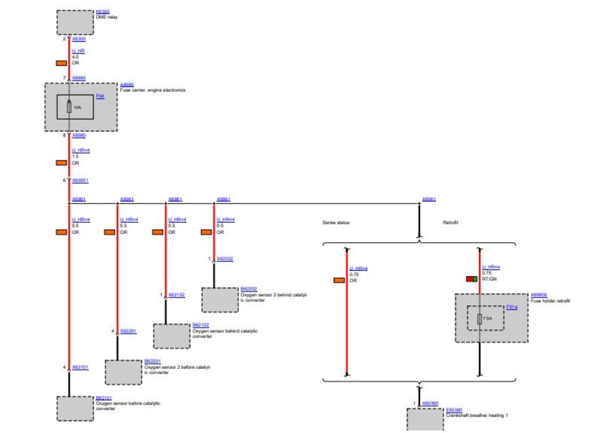
If you’re looking for a wiring diagram for a 2008 BMW E90 N51 DME, you’ve come to the right place. Understanding the wiring diagram is crucial for troubleshooting and repairing electrical issues in your vehicle.
Whether you’re a seasoned mechanic or a DIY enthusiast, having access to the wiring diagram can save you time and money. It provides a detailed overview of the electrical components in your BMW, helping you identify potential issues and make accurate repairs.

Related Post Trailer Breakaway Switch Wiring Diagram
By referring to the wiring diagram, you can troubleshoot issues such as faulty sensors, malfunctioning lights, or electrical shorts. It serves as a roadmap for diagnosing and fixing electrical problems in your BMW, ensuring that you can get back on the road quickly and safely.
Whether you’re replacing a damaged wire, installing a new component, or simply trying to understand the electrical system in your BMW, the wiring diagram is an invaluable resource. It provides a visual representation of the complex network of wires and connections, making it easier for you to navigate and work on your vehicle.
With the 2008 BMW E90 N51 DME wiring diagram in hand, you can confidently tackle electrical issues in your vehicle. Armed with the knowledge of how everything is connected, you’ll be able to troubleshoot and repair problems with ease, saving time and money in the process.
So next time you’re faced with an electrical issue in your 2008 BMW E90 N51 DME, don’t hesitate to refer to the wiring diagram. It’s a valuable tool that can help you get to the root of the problem and ensure that your vehicle is running smoothly. Happy troubleshooting!
Download and Print 2008 Bmw E 90 N51 Dme Wiring Diagram Listed below




