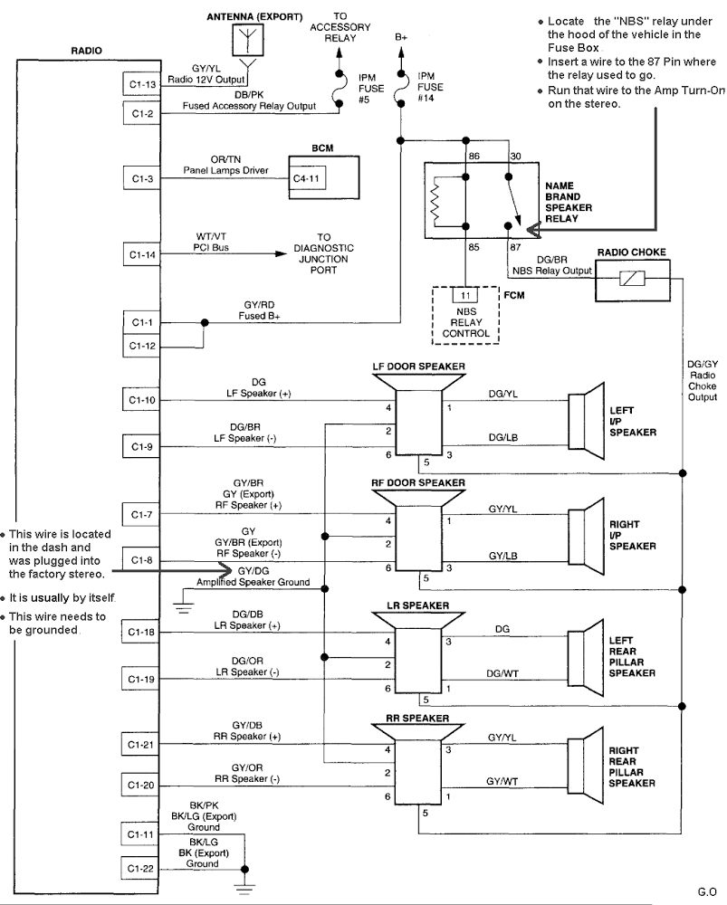
If you’re looking for a reliable radio wiring diagram for your 2012 Chrysler Town and Country, you’ve come to the right place. Having the correct wiring diagram is essential for any DIY car audio installation project.
With the right diagram at your fingertips, you can easily identify the correct wires and connections, ensuring a smooth and hassle-free installation process. Let’s dive into the details of the 2012 Chrysler Town and Country radio wiring diagram.

Related Post Reliance Transfer Switch Internal Wiring Diagram
First and foremost, you’ll need to identify the power, ground, speaker, and antenna wires. Each of these plays a crucial role in ensuring that your radio functions properly. By following the wiring diagram carefully, you can avoid any potential issues during the installation process.
Additionally, the diagram will also indicate the wire colors for each connection, making it easier for you to match them correctly. This can save you time and frustration, especially if you’re new to car audio installations.
Remember to double-check your connections before powering up the radio to ensure everything is wired correctly. A small mistake in the wiring can lead to issues such as poor sound quality or a non-functional radio.
In conclusion, having access to the 2012 Chrysler Town and Country radio wiring diagram is essential for a successful installation. By following the diagram carefully and double-checking your connections, you can enjoy a seamless and trouble-free audio experience in your vehicle.
Download and Print 2012 Chrysler Town And Country Radio Wiring Diagram Listed below




