If you’re looking for information on 208 single phase wiring diagrams, you’ve come to the right place. Understanding how to properly wire your electrical system is crucial for safety and efficiency.
Whether you’re a DIY enthusiast or a professional electrician, having a clear and detailed wiring diagram can make your job much easier. Let’s dive into the world of 208 single phase wiring diagrams.

Related Post Alpine Ilx W650 Wiring Diagram
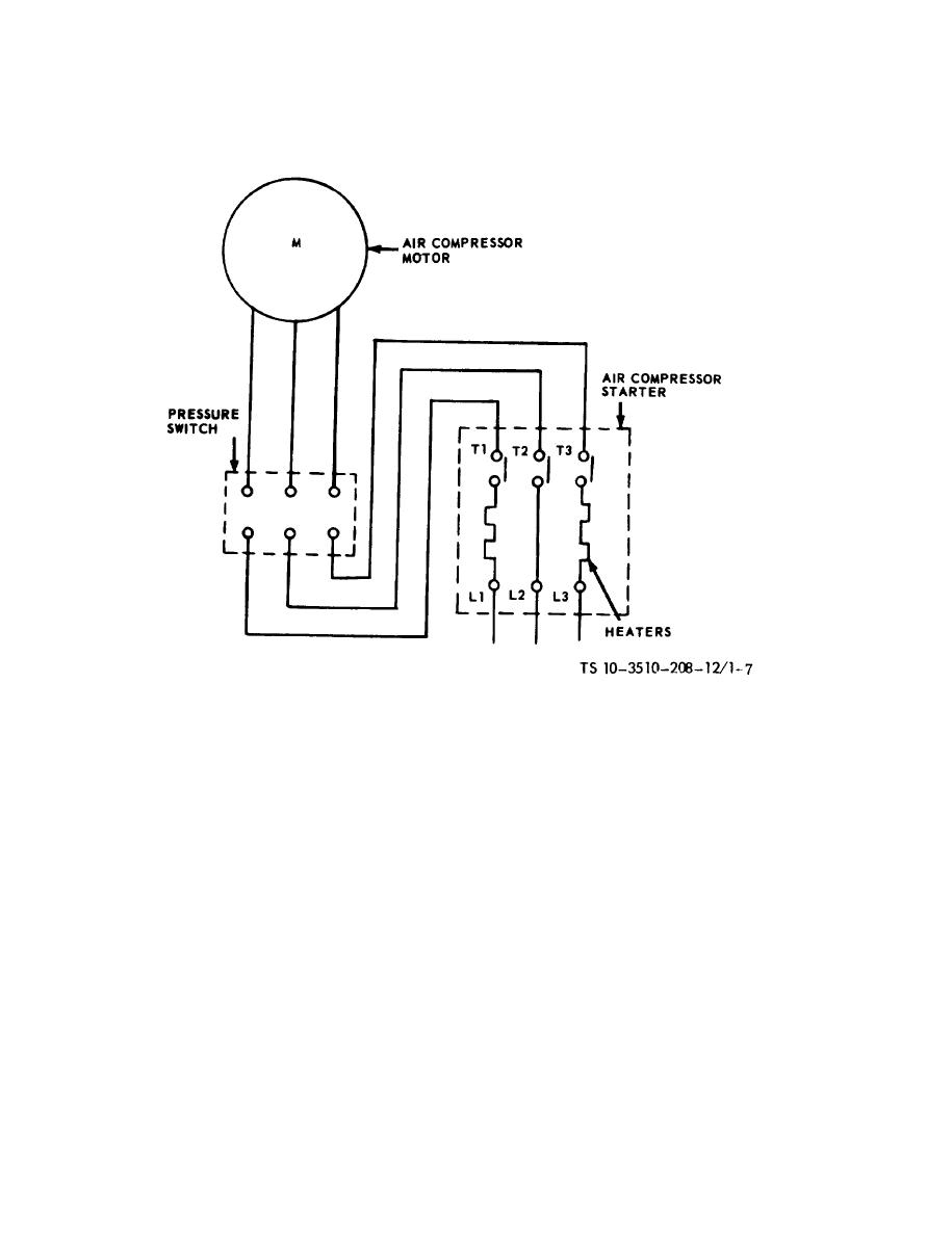
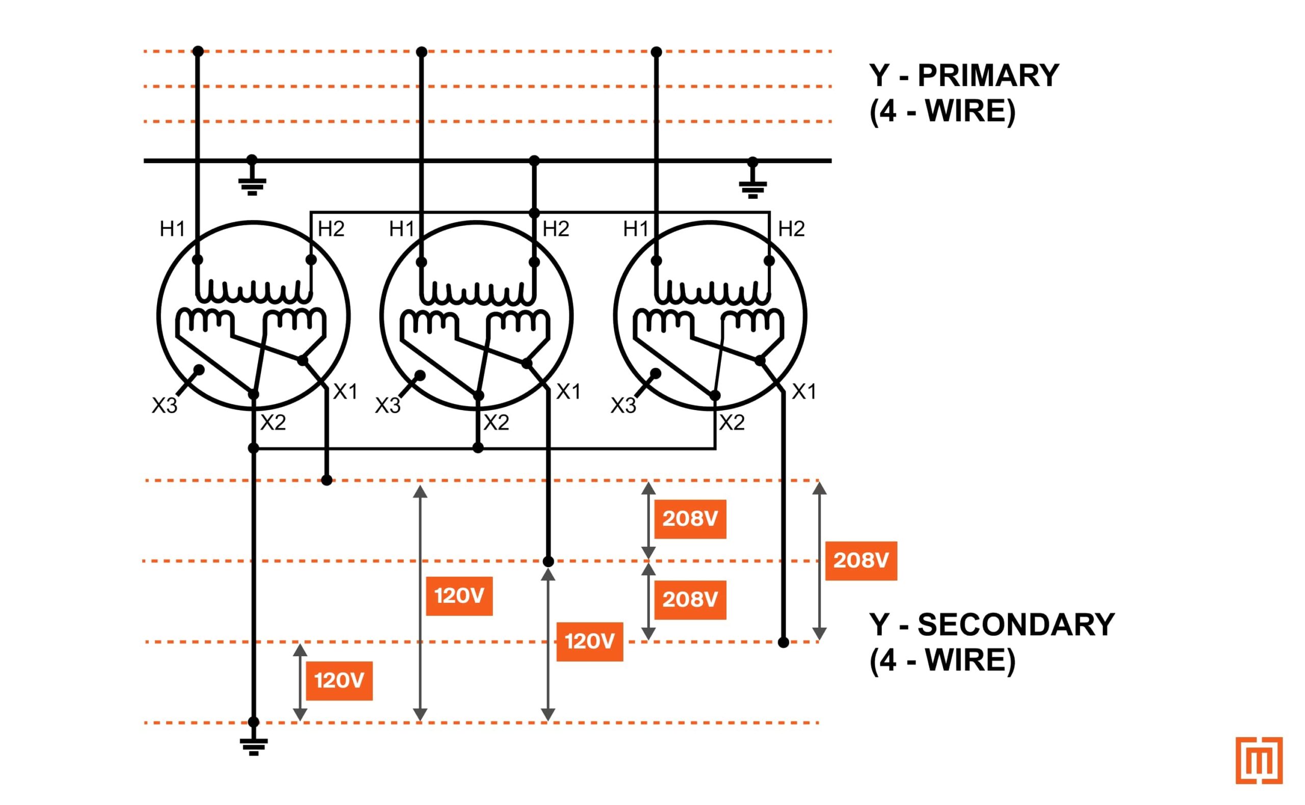
In a 208 single phase system, you have two hot wires and a neutral wire. The voltage between each hot wire and the neutral wire is 120 volts, while the voltage between the two hot wires is 208 volts.
It’s essential to follow the wiring diagram carefully to ensure that all connections are made correctly. This will help prevent electrical hazards and ensure that your system functions properly.
If you’re unsure about any part of the wiring process, don’t hesitate to consult a professional electrician. Safety should always be the top priority when working with electricity.
In conclusion, understanding 208 single phase wiring diagrams is essential for anyone working with electrical systems. By following the proper guidelines and precautions, you can ensure a safe and efficient wiring installation.
Remember, when in doubt, always seek help from a qualified professional. Stay safe and happy wiring!
Download and Print 208 Single Phase Wiring Diagram Listed below




