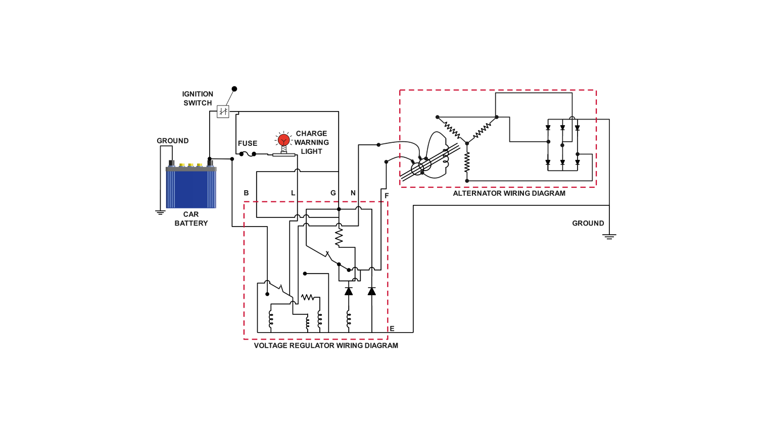
Looking to install a 3 wire GM alternator in your vehicle but not sure how to wire it up? You’ve come to the right place! In this article, we’ll walk you through the process of wiring a 3 wire GM alternator step by step.
Whether you’re upgrading your vehicle’s charging system or replacing a faulty alternator, understanding how to wire a 3 wire GM alternator is essential. With the right tools and knowledge, you can easily complete this project in no time.

Related Post Wiring Diagram For 12V Winch
To begin the wiring process, connect the battery positive terminal to the “BATT” terminal on the alternator. Next, connect the field wire to the “FLD” terminal on the alternator. Finally, connect the ground wire to the alternator case or engine block to ensure proper grounding.
Once all the wires are properly connected, double-check your connections to ensure everything is secure. Start the engine and check the alternator’s charging output using a multimeter. If everything is working correctly, you should see a voltage reading that indicates the alternator is charging the battery.
With the wiring complete and the alternator functioning properly, you can now enjoy a reliable charging system in your vehicle. Regularly check the alternator and battery to ensure they are in good working condition to avoid any potential issues down the road.
By following this simple guide, you can easily wire a 3 wire GM alternator and keep your vehicle’s electrical system running smoothly. Remember to always prioritize safety and consult a professional if you’re unsure about any step in the process.
Download and Print 3 Wire Gm Alternator Wiring Diagram Listed below




