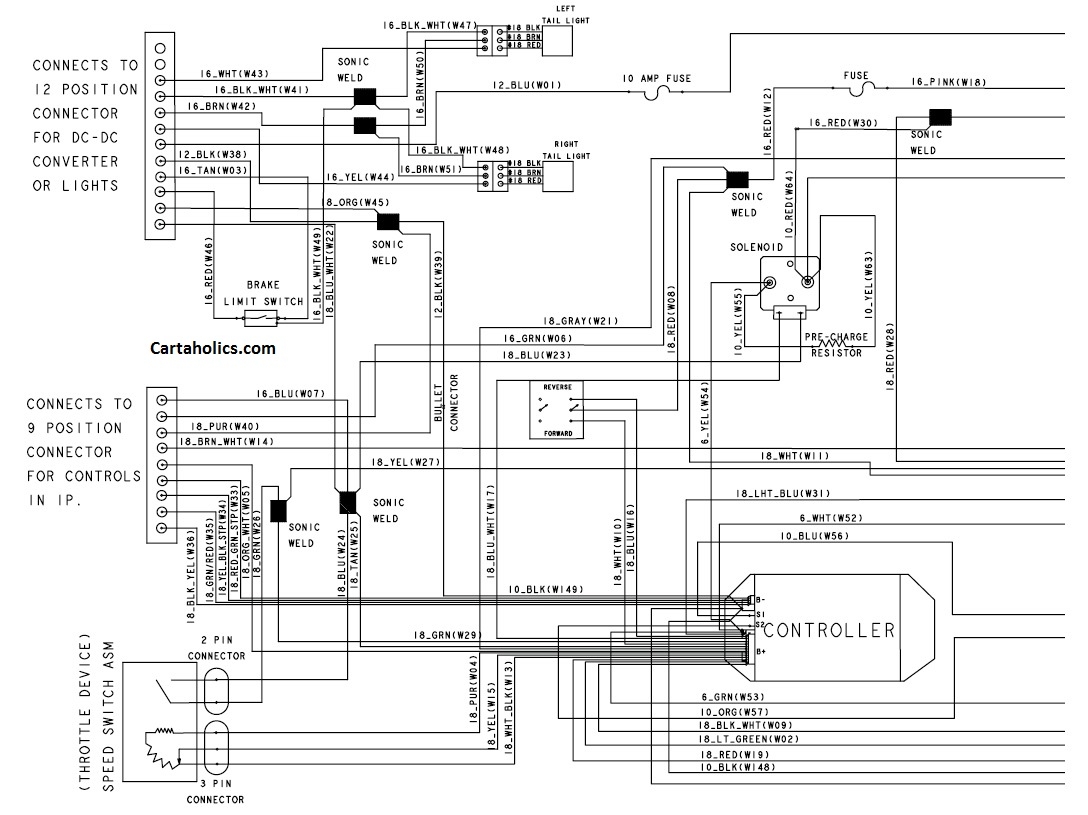
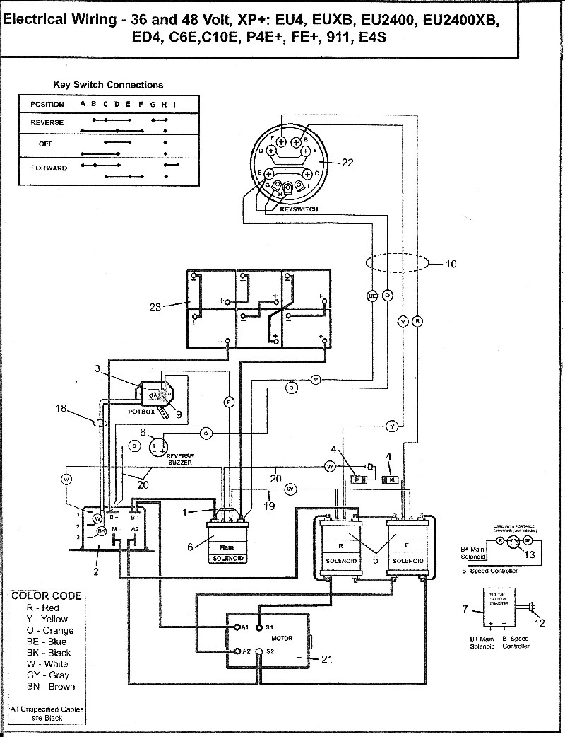
If you’re looking for a 48V Club Car wiring diagram for your 48-volt golf cart, you’ve come to the right place! Understanding the wiring of your Club Car is essential for maintaining and troubleshooting your vehicle.
Whether you’re a DIY enthusiast or a professional mechanic, having access to a reliable wiring diagram can make all the difference when it comes to working on your Club Car. With the right information at your fingertips, you can easily identify and fix any electrical issues that may arise.

Related Post 2004-2007 Lexus Es330 Wiring Diagram Door Lh
By following the wiring diagram carefully, you can ensure that all connections are made correctly and that your Club Car operates smoothly. Whether you’re replacing a faulty part or upgrading your cart’s electrical system, having a clear understanding of the wiring layout is crucial.
Remember to always consult the specific wiring diagram for your Club Car model to avoid any confusion or mistakes. Each diagram may vary slightly depending on the year and model of your golf cart, so it’s essential to use the correct information for your vehicle.
With the right wiring diagram in hand, you can confidently tackle any electrical issues that may arise with your 48V Club Car. From troubleshooting to upgrades, having a clear understanding of your cart’s wiring system will help you keep your vehicle running smoothly for years to come.
So, the next time you need to reference a 48V Club Car wiring diagram for your 48-volt golf cart, remember to consult the right resources to ensure a successful repair or upgrade. With the proper knowledge and tools, you can keep your Club Car in top condition and enjoy countless hours of driving fun!
Download and Print 48V Club Car Wiring Diagram 48 Volt Listed below




