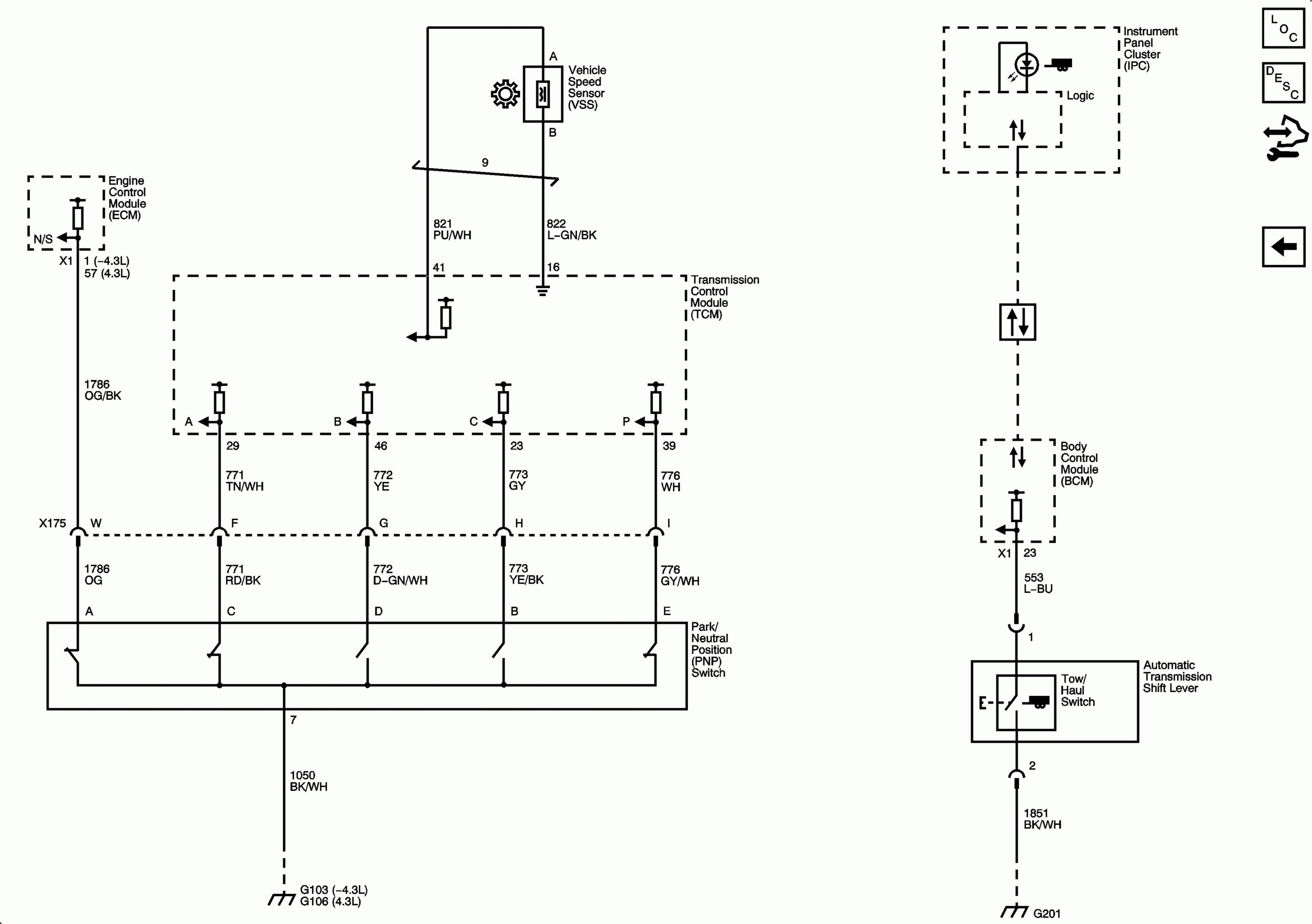
If you’re looking for a reliable and efficient transfer case wiring diagram for your 4L60E, you’ve come to the right place. Understanding the wiring layout of your transfer case is essential for ensuring smooth operation and preventing any potential issues.
Whether you’re a seasoned mechanic or a DIY enthusiast, having access to a detailed wiring diagram can make all the difference in your project. The 4L60E transfer case wiring diagram provides a clear and concise overview of the electrical connections and components involved.

Related Post Tt-30R To L14-3R Wiring Diagram
With a well-designed wiring diagram at your disposal, you can confidently tackle any wiring-related tasks with ease. Whether you’re replacing a faulty sensor or upgrading to a more advanced electronic system, having a clear roadmap of the wiring layout will streamline the process and save you time and effort.
By following the 4L60E transfer case wiring diagram, you can ensure that all electrical connections are properly made and functioning as intended. This will not only improve the overall performance of your transfer case but also enhance the reliability and longevity of your vehicle’s electrical system.
So, whether you’re a professional mechanic or a DIY enthusiast, having a comprehensive wiring diagram for your 4L60E transfer case is a must-have resource. With the right information at your fingertips, you can confidently tackle any electrical project and keep your vehicle running smoothly for years to come.
Don’t let electrical issues stand in the way of enjoying your vehicle to the fullest. Invest in a quality 4L60E transfer case wiring diagram today and take the guesswork out of your next electrical project.
Download and Print 4L60E Transfer Case Wiring Diagram Listed below




