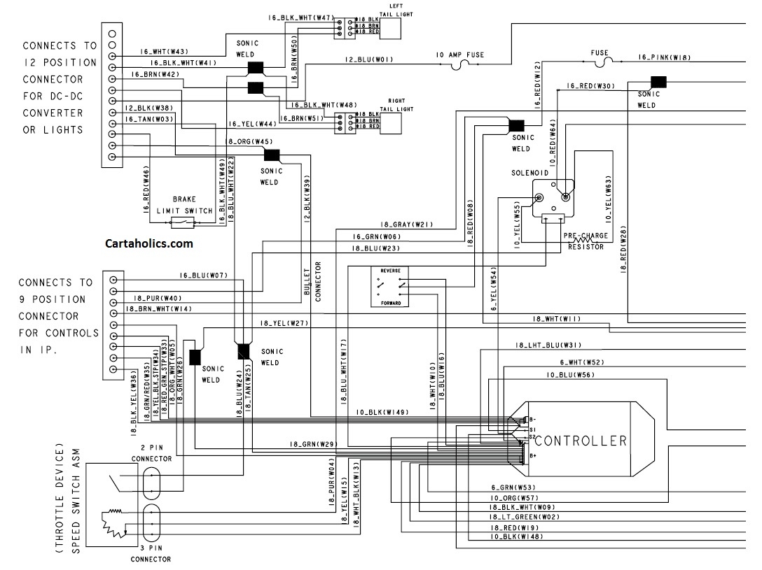
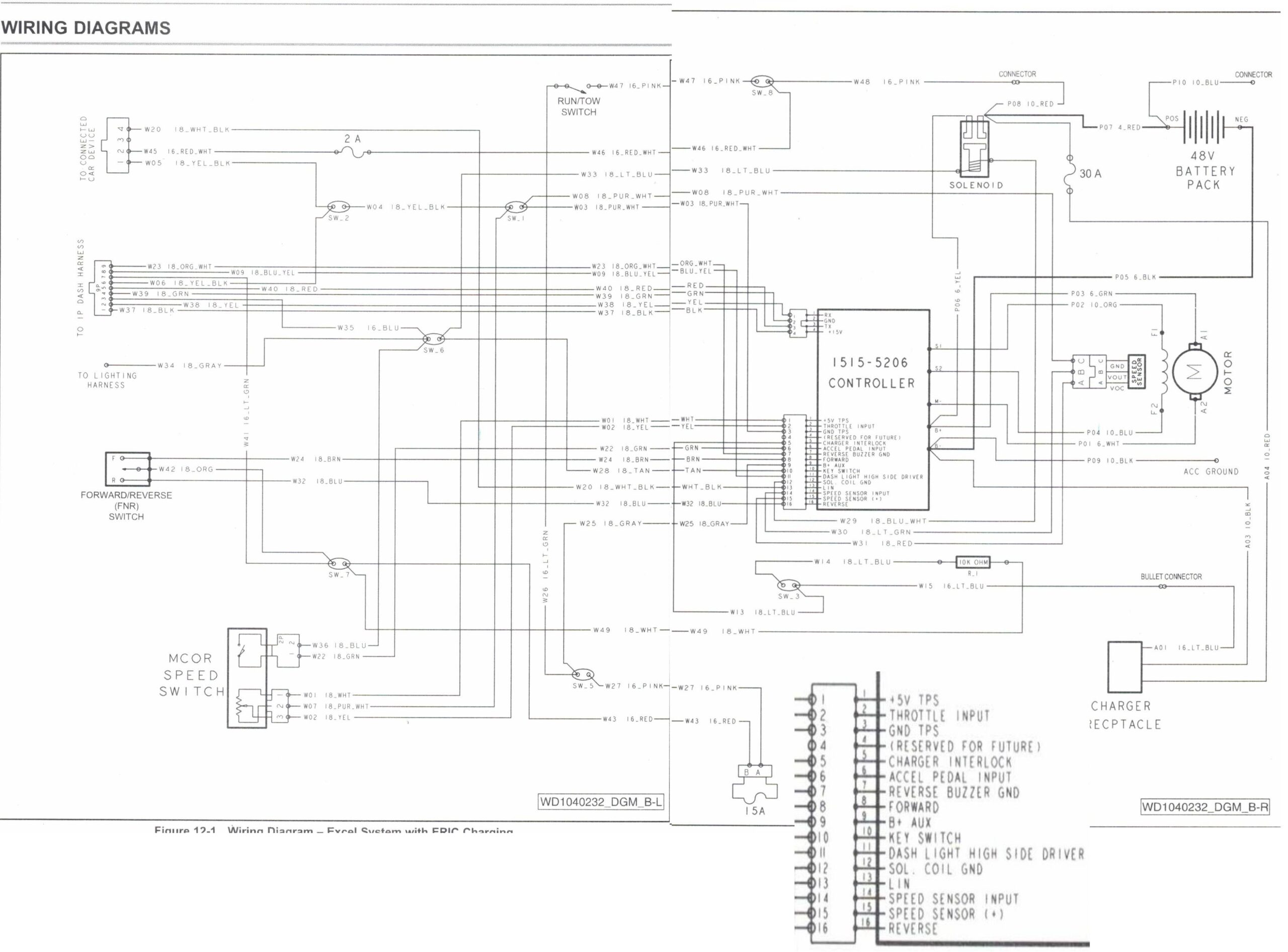
If you’re looking to customize your Club Car Precedent golf cart, having a wiring diagram on hand is essential. Whether you’re adding new accessories or troubleshooting electrical issues, having a wiring diagram can make the process much smoother.
With a Club Car Precedent wiring diagram, you’ll have a visual guide to help you navigate the various electrical components of your golf cart. This can save you time and frustration by making it easier to identify and fix any wiring issues that may arise.

Related Post Well Water Pump Wiring Diagram
Club Car Precedent Wiring Diagram
One of the key benefits of having a wiring diagram for your Club Car Precedent is that it can help you understand the layout of the electrical system. This can be especially useful if you’re new to working on golf carts and need some guidance.
By following the wiring diagram, you can ensure that you’re connecting the right wires to the right components. This can help prevent any accidental damage to your golf cart’s electrical system and ensure that everything is working properly.
Having a wiring diagram for your Club Car Precedent can also be helpful if you’re looking to upgrade or modify your golf cart. Whether you’re adding new lights, a stereo system, or other accessories, a wiring diagram can help you plan out your modifications and ensure that everything is installed correctly.
Overall, having a Club Car Precedent wiring diagram on hand is a valuable resource for any golf cart owner. Whether you’re troubleshooting electrical issues or customizing your ride, a wiring diagram can help make the process easier and more efficient.
So, if you’re looking to take your Club Car Precedent to the next level, be sure to have a wiring diagram on hand. It’s a simple yet invaluable tool that can make a big difference in your golf cart customization journey.
Download and Print Club Car Precedent Wiring Diagram Listed below




