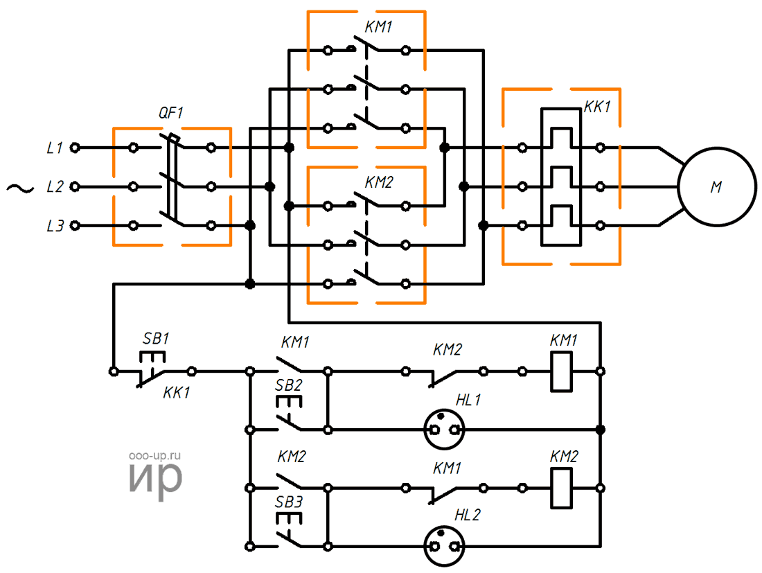
Are you looking for a simple and easy-to-understand electric motor wiring diagram for a 3 phase system? Look no further! In this article, we will break down the process and help you get your motor up and running in no time.
Understanding how to wire a 3 phase motor can be daunting, but with the right diagram and guidance, it can be a breeze. Whether you’re a seasoned electrician or a DIY enthusiast, we’ve got you covered.

Related Post 12 Volt Solar Panel Wiring Diagram
Next, you’ll need to determine the motor’s rotation direction. This can be done by checking the manufacturer’s instructions or using a rotation tester. Once you’ve identified the rotation, you can proceed with connecting the wires accordingly.
It’s important to note that safety should always come first when working with electricity. Make sure to turn off the power source before attempting any wiring. Additionally, double-check your connections to avoid any potential hazards.
Once you’ve wired your 3 phase motor correctly, it’s time to test it out. Turn the power back on and observe the motor’s operation. If everything is in order, you should see the motor running smoothly without any issues.
In conclusion, wiring a 3 phase electric motor doesn’t have to be a complicated task. With the right diagram and a little bit of know-how, you can successfully wire your motor and get it running in no time. Remember to always prioritize safety and double-check your connections for a job well done.
Download and Print Electric Motor Wiring Diagram 3 Phase Listed below




