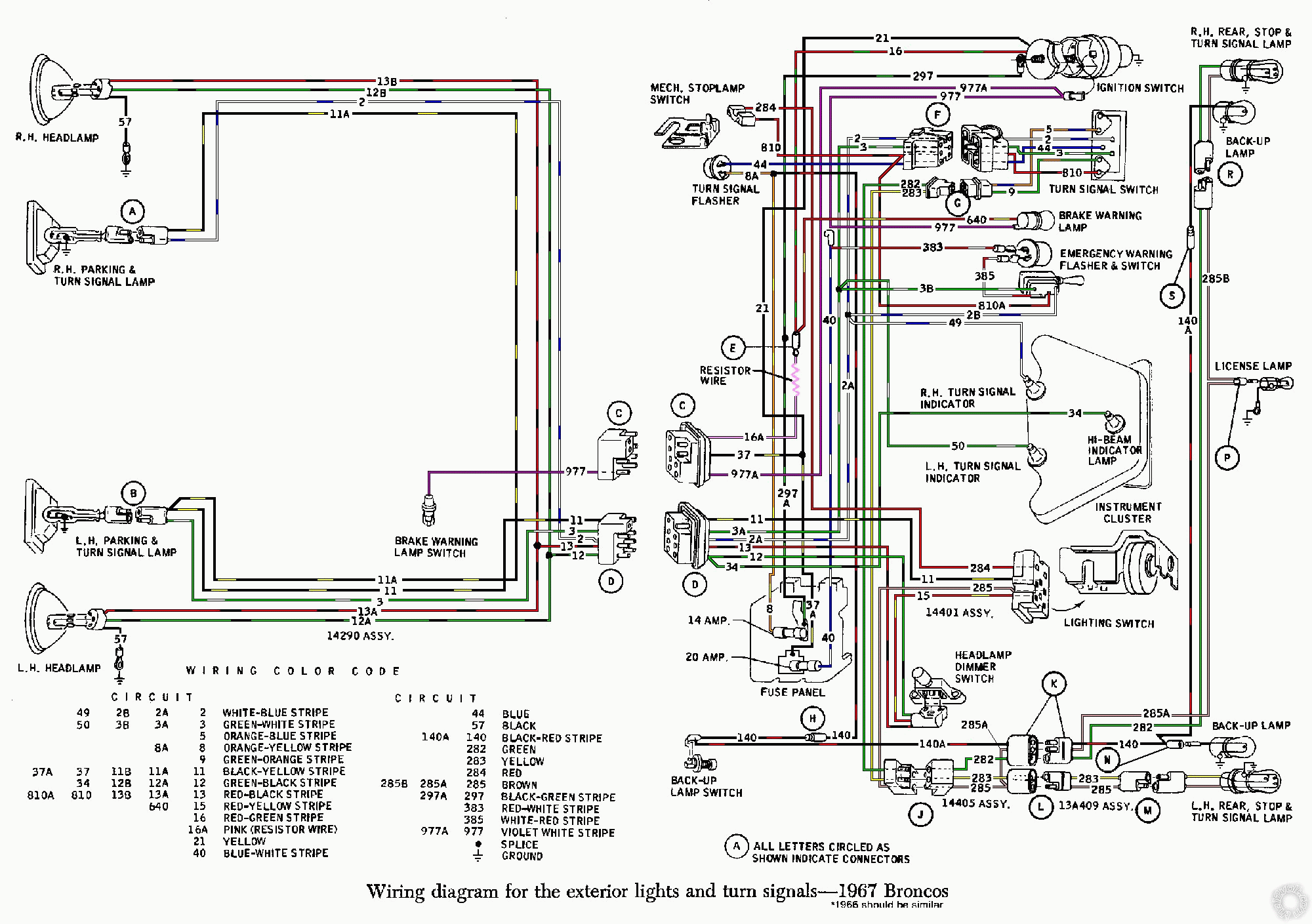
Are you looking for a Ford turn signal switch wiring diagram? You’ve come to the right place! Whether you’re a DIY enthusiast or a professional mechanic, having the right wiring diagram is essential for any electrical work on your vehicle.
Understanding how the turn signal switch is wired can help you troubleshoot any issues and ensure that your turn signals are functioning properly. In this article, we’ll provide you with a detailed wiring diagram for Ford turn signal switches.

Related Post Wiring Diagram For Schumacher Battery Charger
Typically, a Ford turn signal switch wiring diagram will include information on the color-coding of the wires, the connections to the turn signal relay, and the connections to the turn signal lights. This information is essential for proper installation and troubleshooting.
By following the wiring diagram carefully, you can ensure that your turn signal switch is installed correctly and functioning as it should. It will also help you avoid any potential electrical issues down the line, saving you time and money on repairs.
Whether you’re replacing a faulty turn signal switch or upgrading to a new one, having a wiring diagram on hand is crucial. It will guide you through the installation process and give you peace of mind knowing that your turn signals are working correctly.
In conclusion, having a Ford turn signal switch wiring diagram is essential for any electrical work on your vehicle. By following the diagram carefully, you can ensure that your turn signals are functioning properly and avoid any potential issues. So, next time you’re working on your Ford vehicle, make sure to have a wiring diagram handy!
Download and Print Ford Turn Signal Switch Wiring Diagram Listed below




