Gas Club Car Wiring Diagram

CLUB CAR SCHEMATICS

Gas Club Car Wiring Diagram

Gas Club Car Wiring Diagram

Gas Club Car Wiring Diagram I Need One

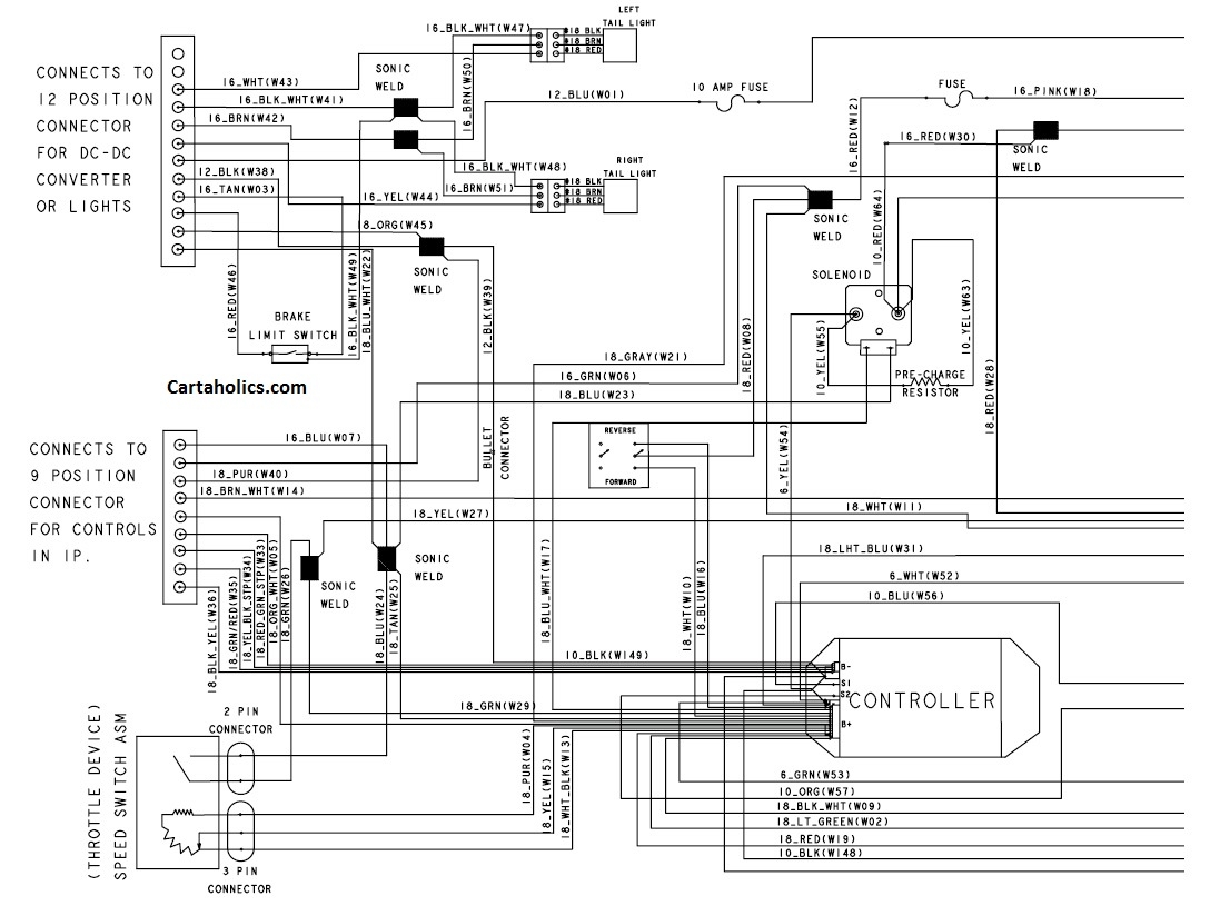
Club Car Precedent Wiring Diagram Electric Cartaholics Golf

Amazon CLUBRALLY Golf Cart Gas Electrical LPL6003 12V New

CLUB CAR SCHEMATICS

CLUB CAR SCHEMATICS

Back To Top