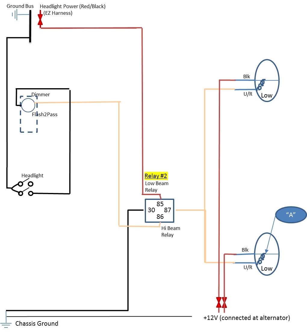
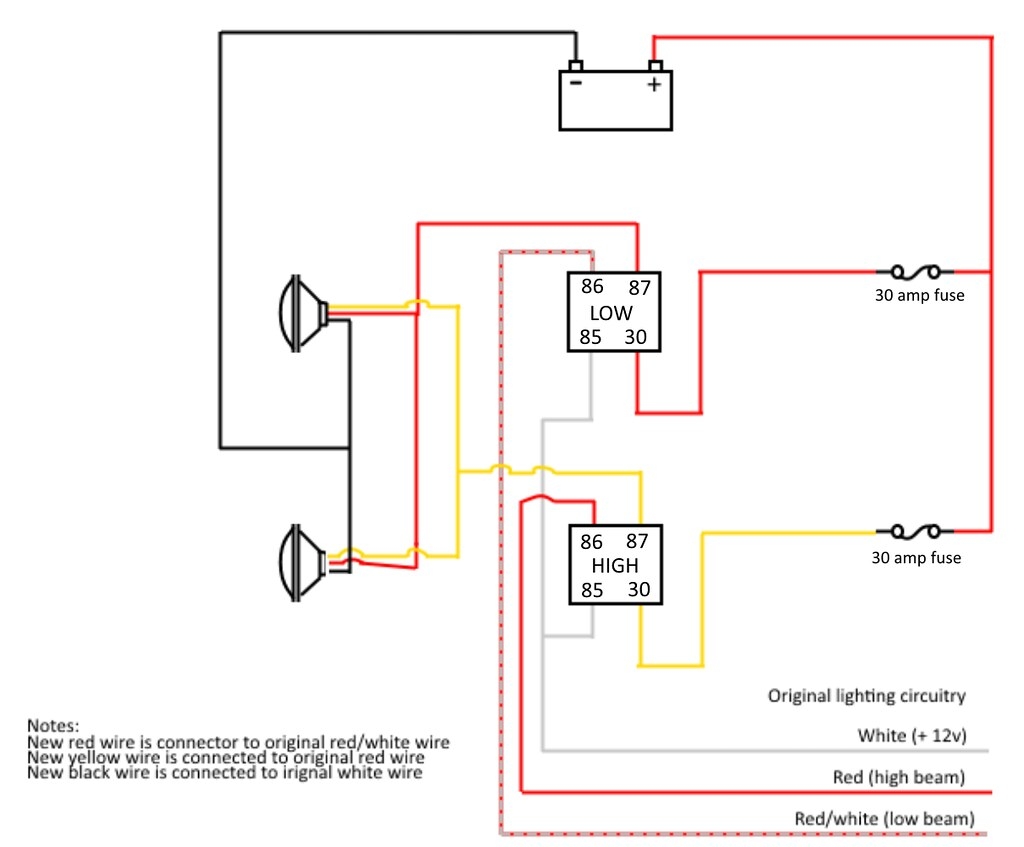
Are you having trouble with your car’s headlight high beam and low beam wiring? Understanding how these components work together is crucial for proper functioning. In this article, we will discuss the headlight high beam low beam wiring diagram to help you troubleshoot any issues you may encounter.
When it comes to your vehicle’s headlights, the high beam and low beam play different roles. The high beam provides maximum visibility for driving at night or in dark conditions, while the low beam is used for normal driving situations. Both beams are essential for safe driving on the road.

Related Post Xlr To Xlr Wiring Diagram
If you are experiencing issues with your headlight high beam or low beam, it could be due to a faulty switch, relay, or wiring connection. Inspecting these components and referring to the wiring diagram can help you identify the problem and make the necessary repairs. Remember to disconnect the power source before attempting any repairs to avoid electrical shocks.
In conclusion, understanding the headlight high beam low beam wiring diagram is essential for maintaining your vehicle’s lighting system. By familiarizing yourself with how these components work together, you can troubleshoot any issues that may arise and ensure your safety on the road. If you are unsure about any repairs, it is always best to seek professional help from a qualified mechanic.
Download and Print Headlight High Beam Low Beam Wiring Diagram Listed below



