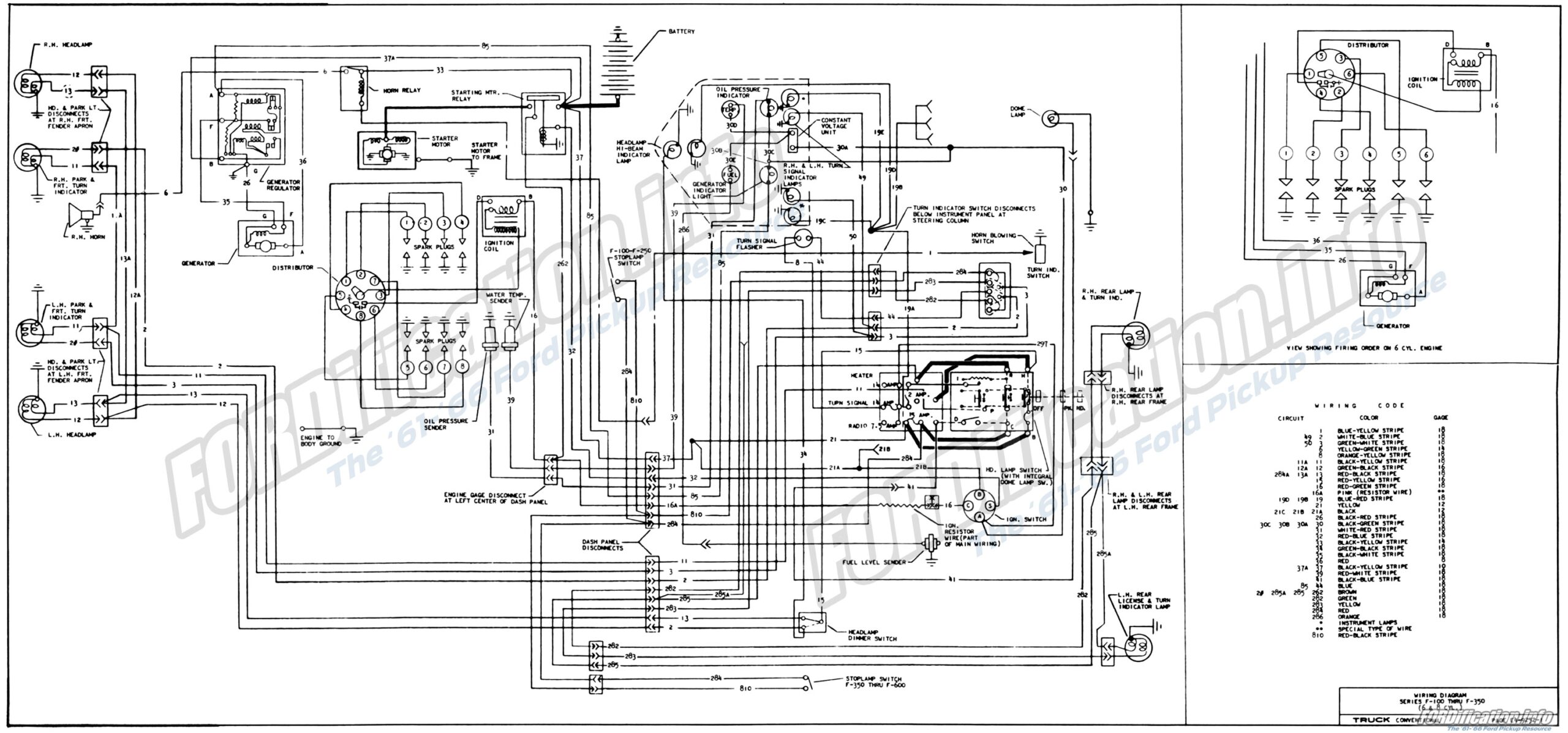
Are you looking for a schematic Ford headlight switch wiring diagram to help you with your car’s electrical system? Look no further! Understanding the wiring diagram for your Ford headlight switch can be essential for troubleshooting and making repairs.
Having a clear diagram can make the process much easier and save you time and frustration. So, let’s dive into the details of the schematic Ford headlight switch wiring diagram to help you get a better understanding of how it all works.

Related Post Wiring Diagram For Battery Isolator
The headlight switch controls the flow of electricity to the headlights, turning them on and off as needed. The battery provides the power source, while the fuse and relay help protect the electrical system from damage and ensure proper functioning.
Understanding how each component interacts with one another can help you diagnose any issues with your headlights. Whether it’s a faulty switch, blown fuse, or bad relay, having a grasp of the wiring diagram can guide you in the right direction for repairs.
By following the schematic Ford headlight switch wiring diagram, you can troubleshoot any problems efficiently and effectively. Whether you’re a car enthusiast or a DIY mechanic, having this knowledge at your fingertips can save you time and money in the long run.
So, next time you’re faced with headlight issues, refer back to the schematic Ford headlight switch wiring diagram to help you identify and fix the problem. With a bit of patience and know-how, you’ll have your headlights shining bright in no time!
Download and Print Schematic Ford Headlight Switch Wiring Diagram Listed below




