If you’re looking to install a shunt trip breaker and need guidance on the wiring diagram, you’ve come to the right place. Understanding how to wire a shunt trip breaker is essential for ensuring the safety and functionality of your electrical system.
Whether you’re a DIY enthusiast or a professional electrician, having a clear understanding of the shunt trip breaker wiring diagram is crucial. By following the correct wiring procedure, you can prevent potential hazards and ensure that your electrical system operates smoothly.

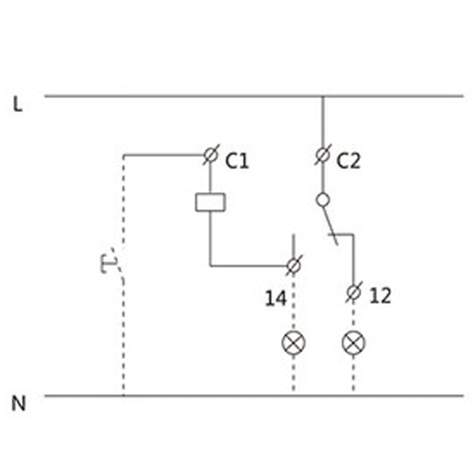
Related Post Universal Ignition Switch Wiring Diagram
Start by turning off the main power supply to the circuit you’ll be working on. Use the voltage tester to double-check that the power is off before proceeding. Next, carefully remove the cover of the electrical panel to gain access to the breaker that you’ll be connecting the shunt trip to.
Locate the terminals on the shunt trip breaker and follow the wiring diagram provided by the manufacturer. Connect the wires according to the diagram, ensuring that you make secure and tight connections. Once you’ve completed the wiring process, double-check all connections to make sure everything is in place.
After you’ve confirmed that all connections are secure, you can replace the cover of the electrical panel and turn the power back on. Test the shunt trip breaker to ensure that it functions correctly and trips when required. If everything is working as it should, you’ve successfully wired a shunt trip breaker!
In conclusion, understanding how to wire a shunt trip breaker is essential for maintaining a safe and efficient electrical system. By following the correct wiring diagram and taking the necessary precautions, you can ensure that your electrical system operates smoothly and safely. Remember to always prioritize safety when working with electricity.
Download and Print Shunt Trip Breaker Wiring Diagram Listed below




