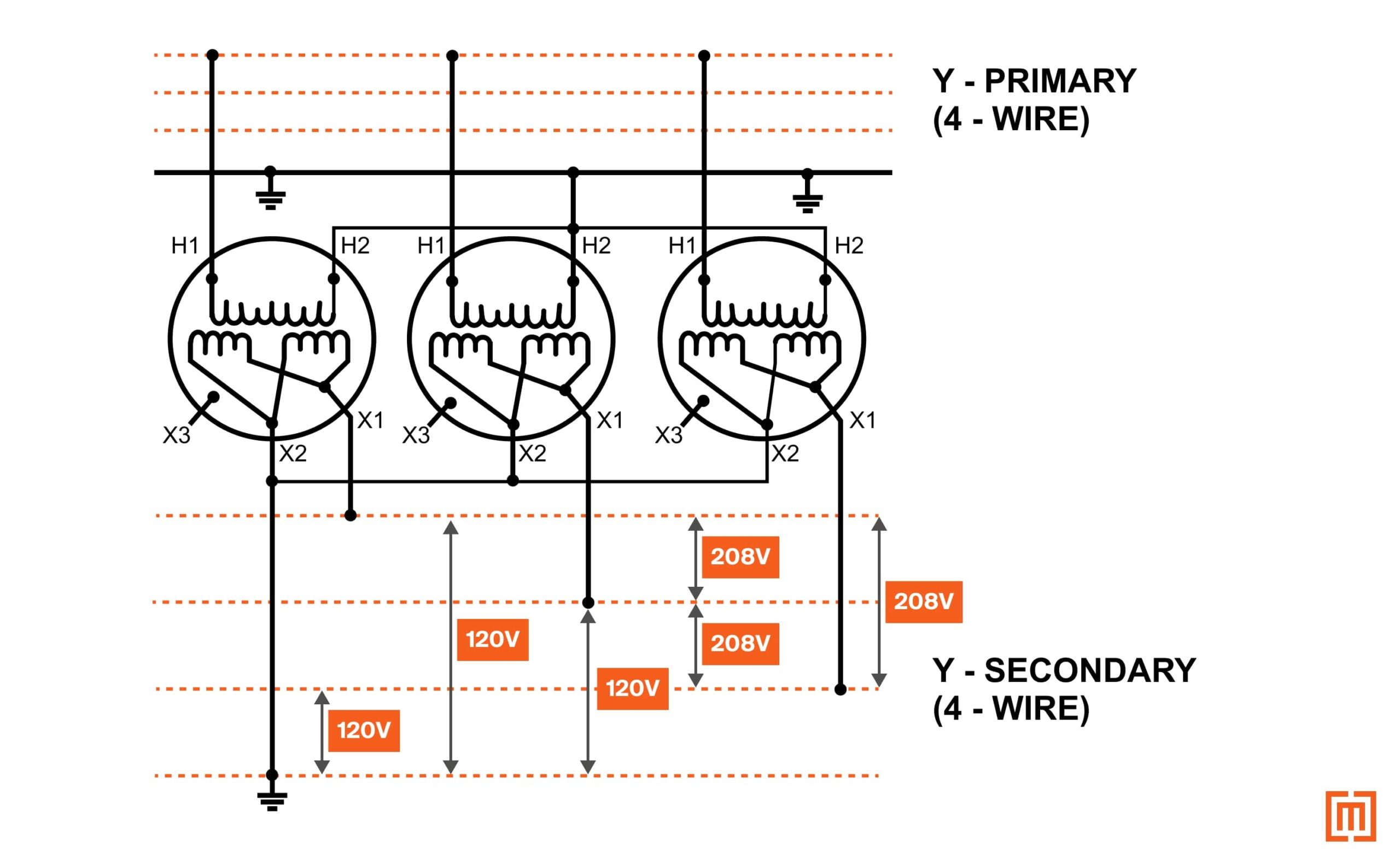
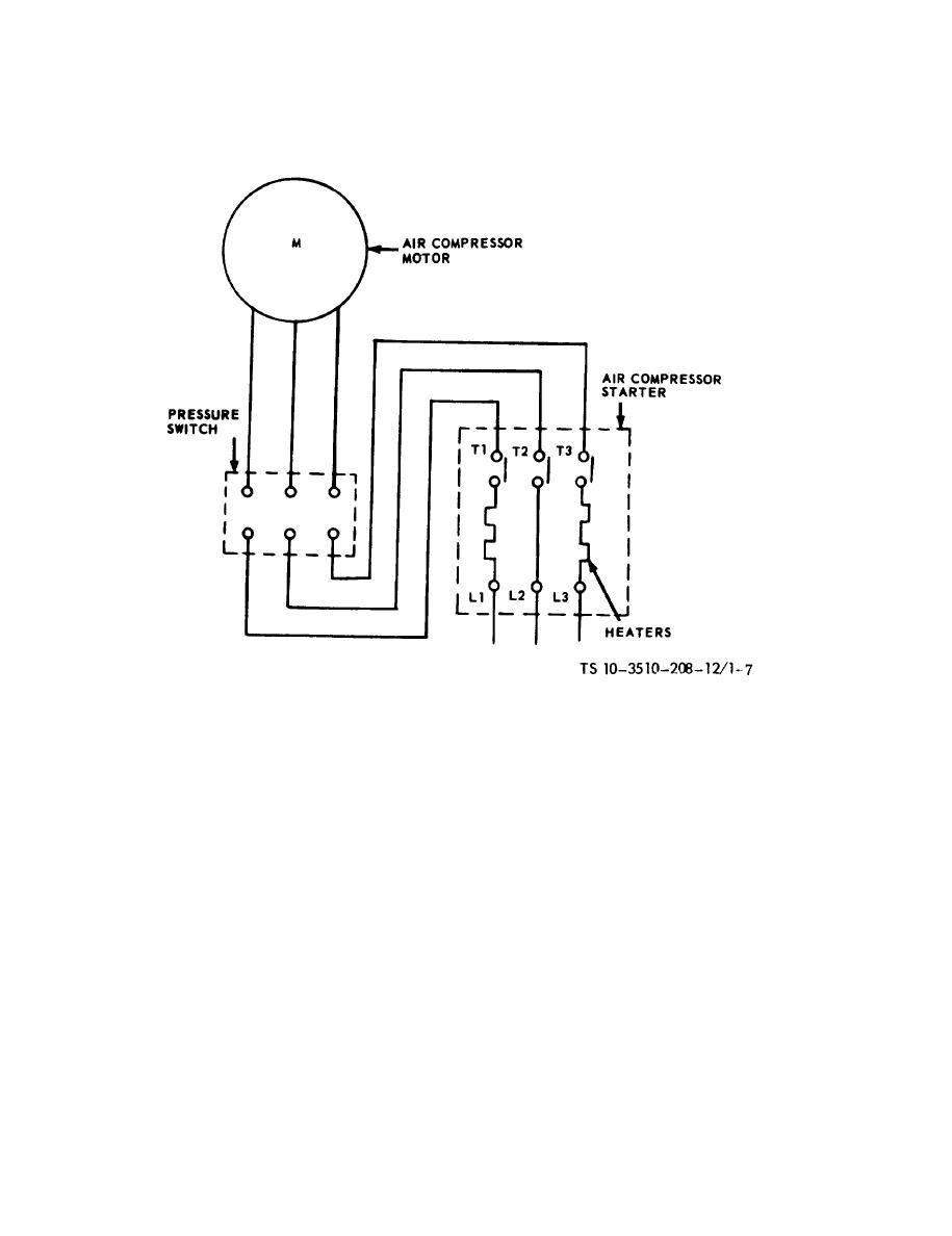
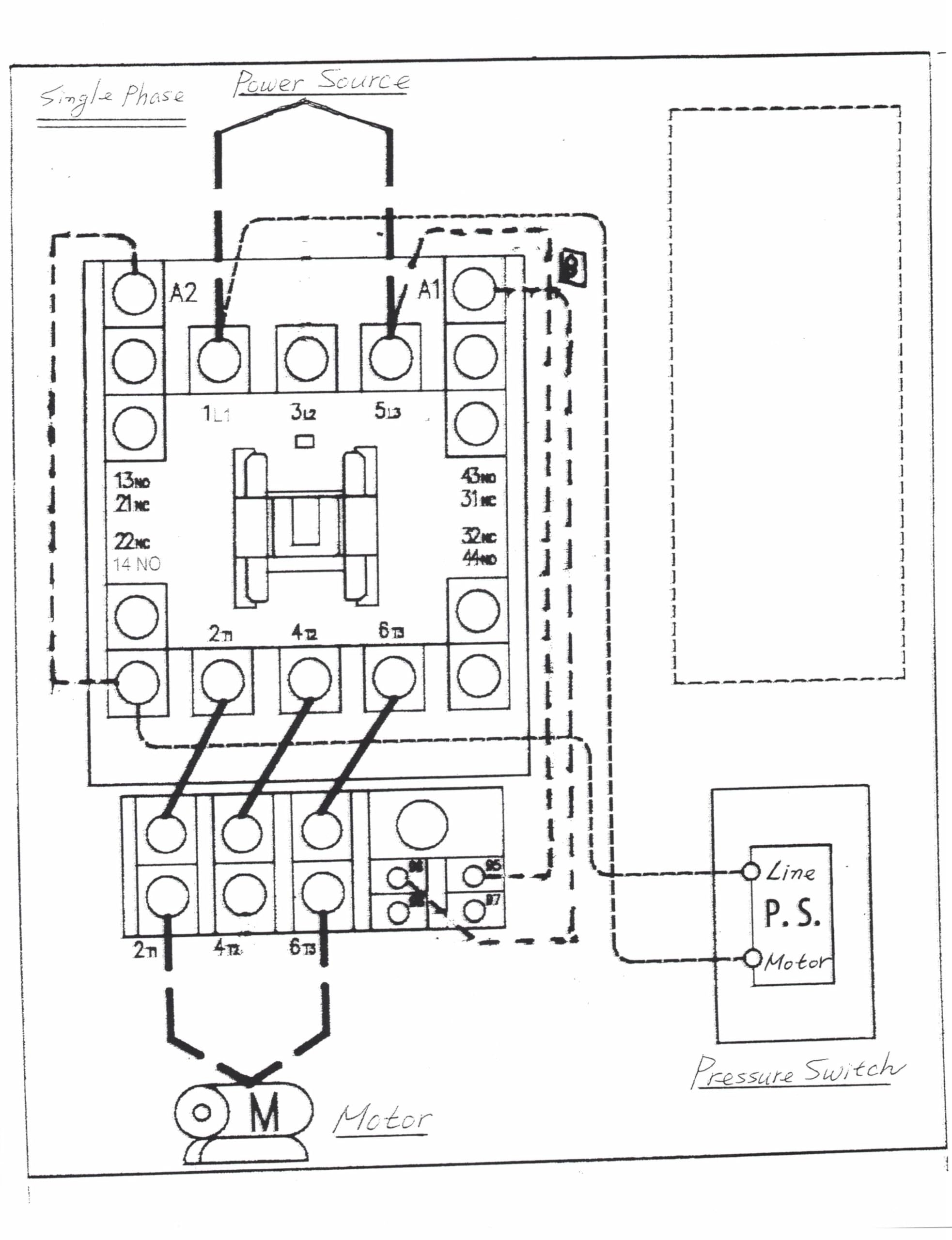
If you’re looking to wire up your single-phase 208 equipment, you’ve come to the right place! Understanding the wiring diagram is crucial for a successful installation.
Single-phase 208 wiring diagrams provide a visual representation of how the electrical components are connected. This helps in ensuring that the setup is done correctly and safely.

Related Post Wiring Diagram For 6 Way Trailer Plug
It’s important to pay close attention to the symbols used in the diagram to understand how each component is connected and how the current flows through the system.
Before starting the wiring process, make sure to double-check the diagram and gather all the necessary tools and materials. Safety should always be a top priority when working with electrical systems.
Once you have completed the wiring following the single-phase 208 diagram, it’s essential to test the setup to ensure everything is working correctly. Any issues should be addressed immediately to prevent any potential hazards.
In conclusion, understanding and following the single-phase 208 wiring diagram is crucial for a successful electrical installation. By taking the time to study the diagram and carefully executing the wiring process, you can ensure a safe and efficient setup for your equipment.
Download and Print Single Phase 208 Wiring Diagram Listed below




