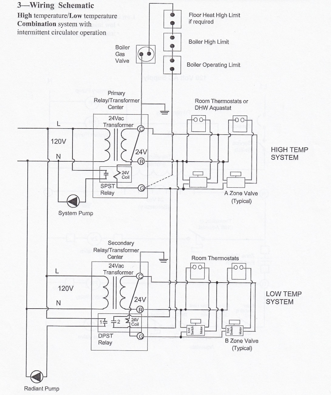
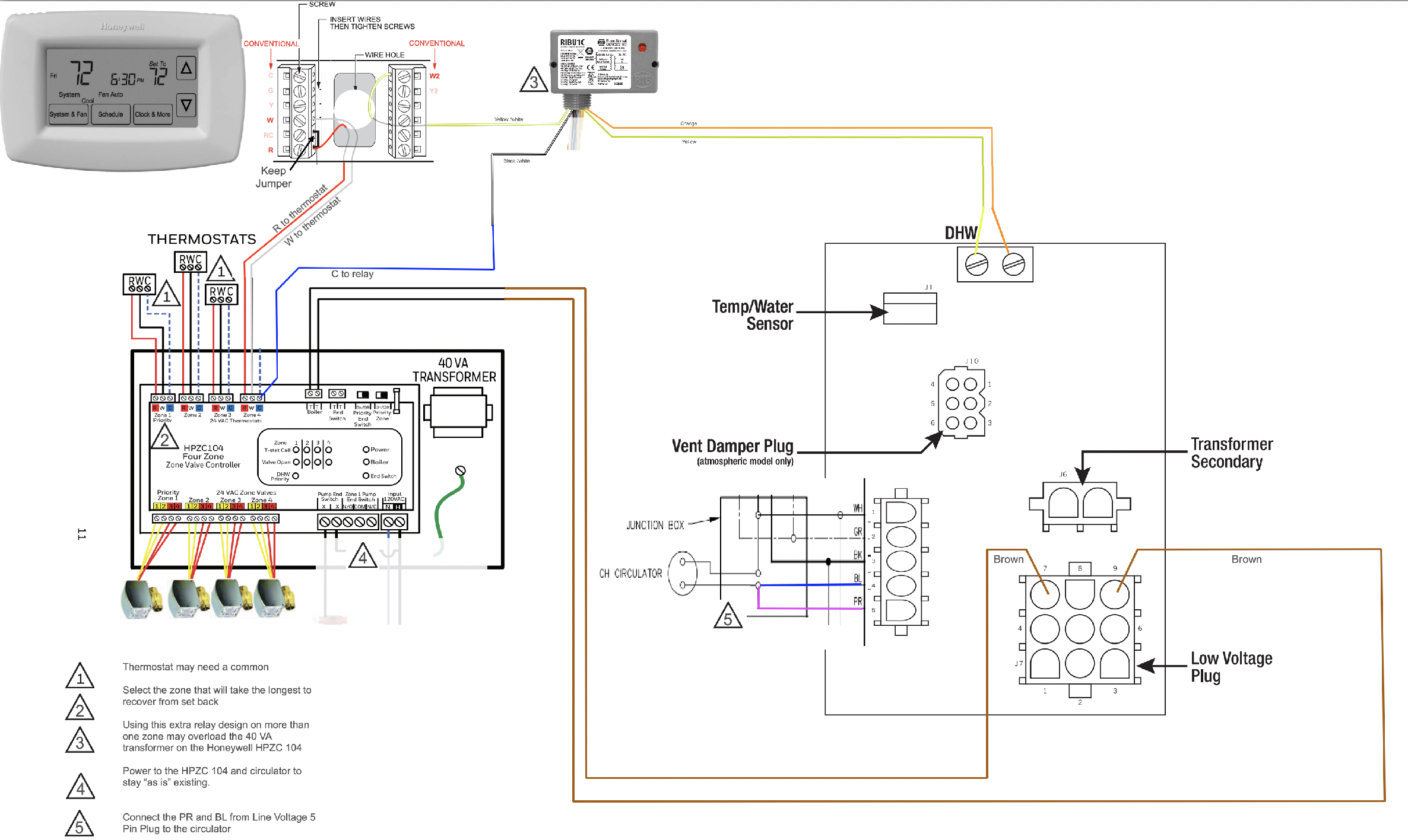
Are you looking for a Taco Zone Valve Wiring Diagram Pdf to help you with your HVAC system? Look no further! Understanding how to wire a Taco zone valve is essential for proper functioning of your heating and cooling system.
With the right wiring diagram, you can easily connect your zone valves to your thermostat and boiler, ensuring efficient and reliable operation. Let’s dive into the details of Taco zone valve wiring and how to do it correctly.

Related Post Wiring A Smoke Detector Diagram
Next, carefully follow the wiring diagram instructions provided by Taco. Start by connecting the zone valve to the thermostat and then to the boiler. Make sure to match the wire colors and terminals correctly to avoid any issues with the connection.
Once you have completed the wiring process, double-check all connections to ensure everything is secure and properly connected. Turn on the power to your HVAC system and test the zone valves to make sure they are opening and closing as they should.
If you encounter any issues during the wiring process, don’t hesitate to consult the Taco zone valve wiring diagram Pdf again or seek help from a professional HVAC technician. It’s better to be safe than sorry when it comes to your heating and cooling system.
In conclusion, understanding how to wire a Taco zone valve is crucial for the proper operation of your HVAC system. By following the correct wiring diagram and taking necessary precautions, you can ensure that your zone valves work efficiently and effectively. Happy wiring!
Download and Print Taco Zone Valve Wiring Diagram Pdf Listed below




