Related Post Factory Amp Wiring Bose Car Amplifier Wiring Diagram
Three Way Toggle Switch Wiring Diagram
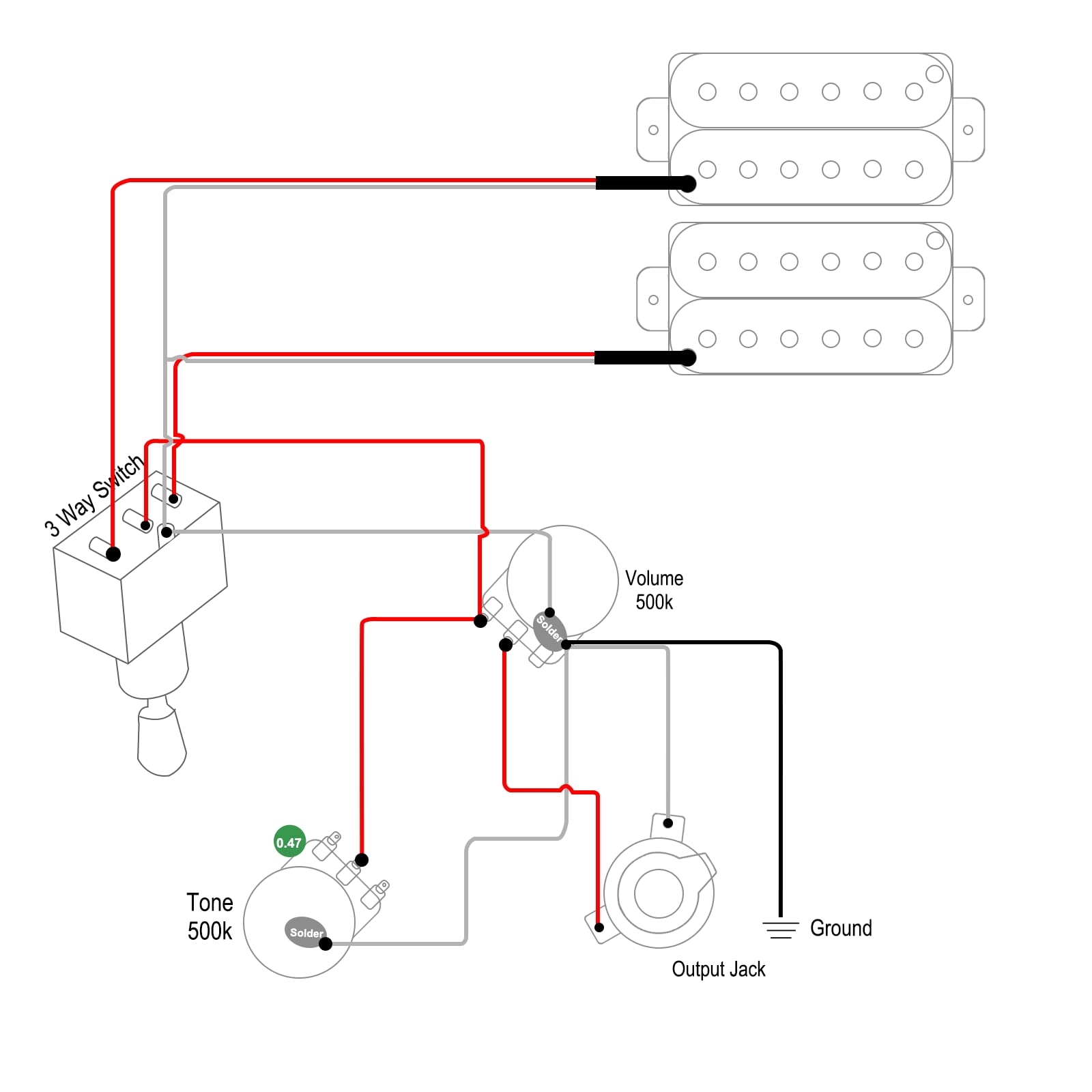
Once you’ve connected all the wires, double-check your work to ensure everything is secure and properly insulated. It’s also a good idea to test the switch before closing up the wiring box to make sure it’s functioning correctly.
In conclusion, wiring a three-way toggle switch doesn’t have to be complicated. With the right guidance and a little bit of patience, you’ll be able to successfully complete this project on your own. Remember to prioritize safety, follow the wiring diagram carefully, and don’t hesitate to seek help if needed. Before you know it, you’ll have a functional three-way switch that adds convenience to your home.




