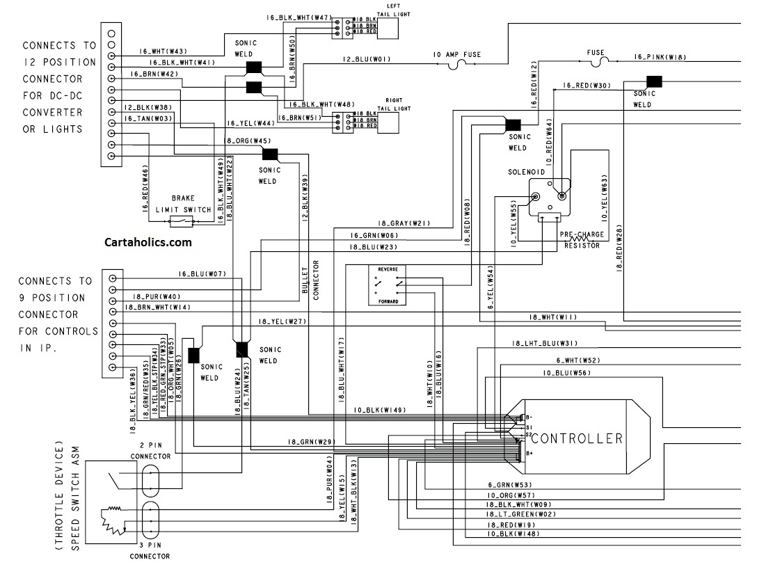
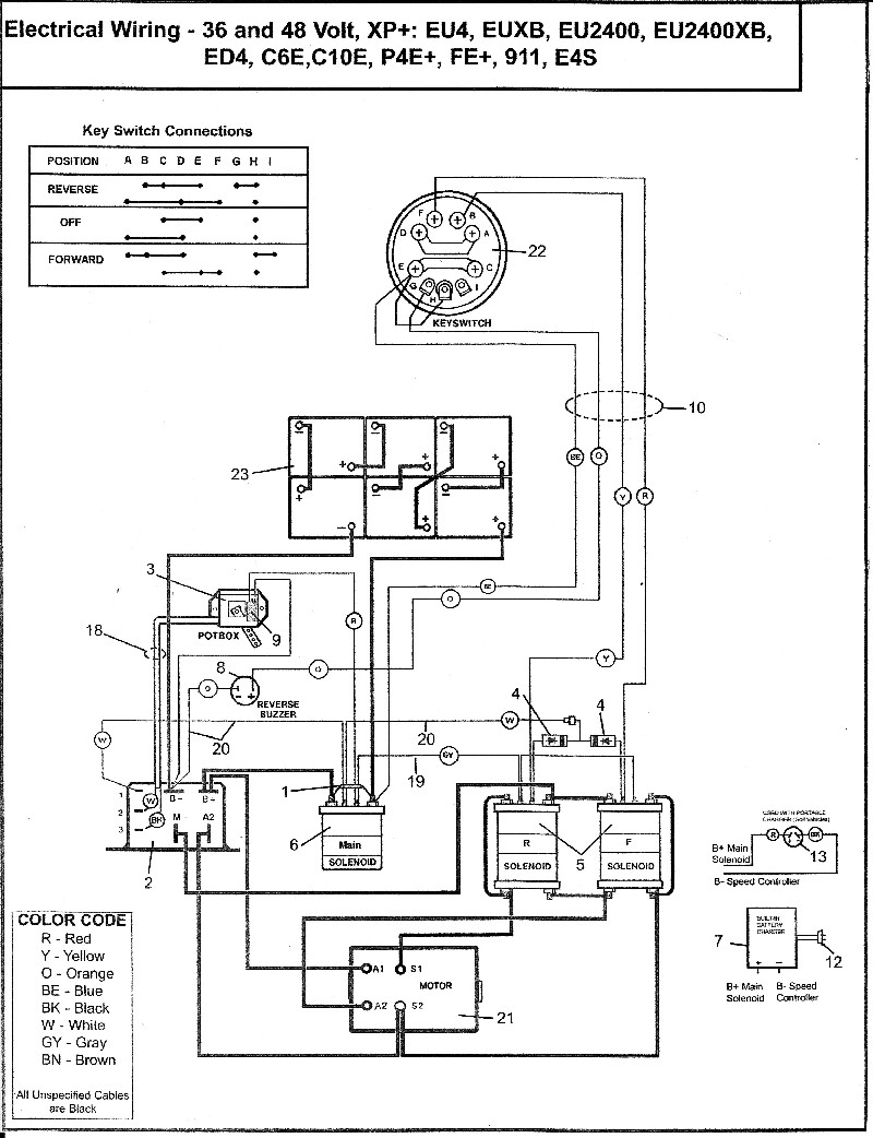
Have you ever found yourself in need of a wiring diagram for a 48 volt Club Car? Maybe you’re looking to troubleshoot an electrical issue or make some upgrades to your golf cart. Whatever the case may be, having the right diagram on hand can make all the difference.
When it comes to wiring diagrams for 48 volt Club Cars, it’s important to have a clear and accurate guide to follow. Whether you’re a seasoned DIYer or just starting out, having the right information at your fingertips can save you time, money, and frustration in the long run.

Related Post Boat Switch Panel Wiring Diagram
Before you start any wiring work on your 48 volt Club Car, be sure to gather all the necessary tools and materials. This can include wire cutters, electrical tape, connectors, and of course, the wiring diagram itself. Having everything you need ready to go can make the process much smoother and more efficient.
In conclusion, having a reliable wiring diagram for your 48 volt Club Car is essential for any electrical work you may need to do. By following the right guide and taking the time to double-check your connections, you can ensure that your golf cart stays in top condition for years to come.
Download and Print Wiring Diagram 48 Volt Club Car Listed below




