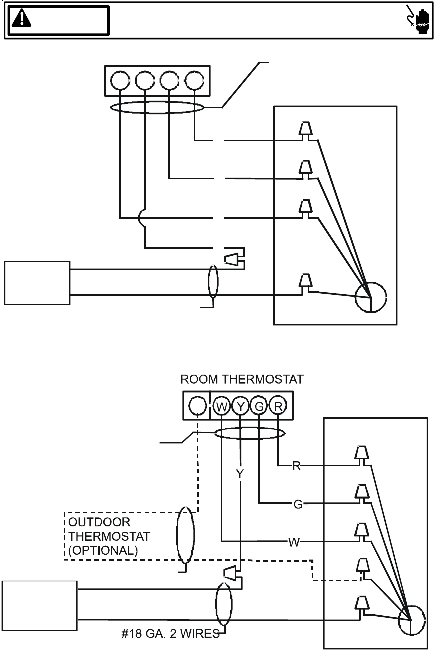
If you’re looking for a wiring diagram for a Goodman heat pump, you’ve come to the right place! Goodman heat pumps are known for their reliability and efficiency, making them a popular choice for homeowners looking to stay comfortable year-round.
Having a good understanding of how your Goodman heat pump is wired is essential for troubleshooting any issues that may arise. Whether you’re a DIY enthusiast or a professional HVAC technician, having access to a detailed wiring diagram can make all the difference.

Related Post Wiring Diagram For Air Compressor Pressure Switch
It’s important to follow the wiring diagram provided by Goodman to ensure that all connections are made correctly. This will help prevent any potential damage to the system and ensure that your heat pump operates efficiently for years to come.
If you’re unsure about how to interpret the wiring diagram or make the necessary connections, it’s always best to consult with a professional HVAC technician. They have the experience and knowledge needed to ensure that your Goodman heat pump is installed and wired correctly.
By taking the time to familiarize yourself with the wiring diagram for your Goodman heat pump, you can troubleshoot minor issues on your own and potentially save yourself time and money on repairs. Having this knowledge at your fingertips can give you peace of mind knowing that your HVAC system is in good hands.
In conclusion, having a detailed wiring diagram for your Goodman heat pump is essential for maintaining its performance and efficiency. By following the instructions provided and seeking help when needed, you can ensure that your heat pump continues to keep you comfortable all year long.
Download and Print Wiring Diagram For A Goodman Heat Pump Listed below




