So you’ve just purchased a hot tub and you’re ready to install it in your backyard for some relaxing soak time. One important thing you’ll need is a wiring diagram to ensure the electrical setup is done correctly.
Before you start the installation process, it’s crucial to have a detailed wiring diagram for your hot tub. This will help you understand how to connect the various components and ensure everything is wired properly for safety and functionality.

Related Post Wiring Diagram For Tekonsha Brake Controller
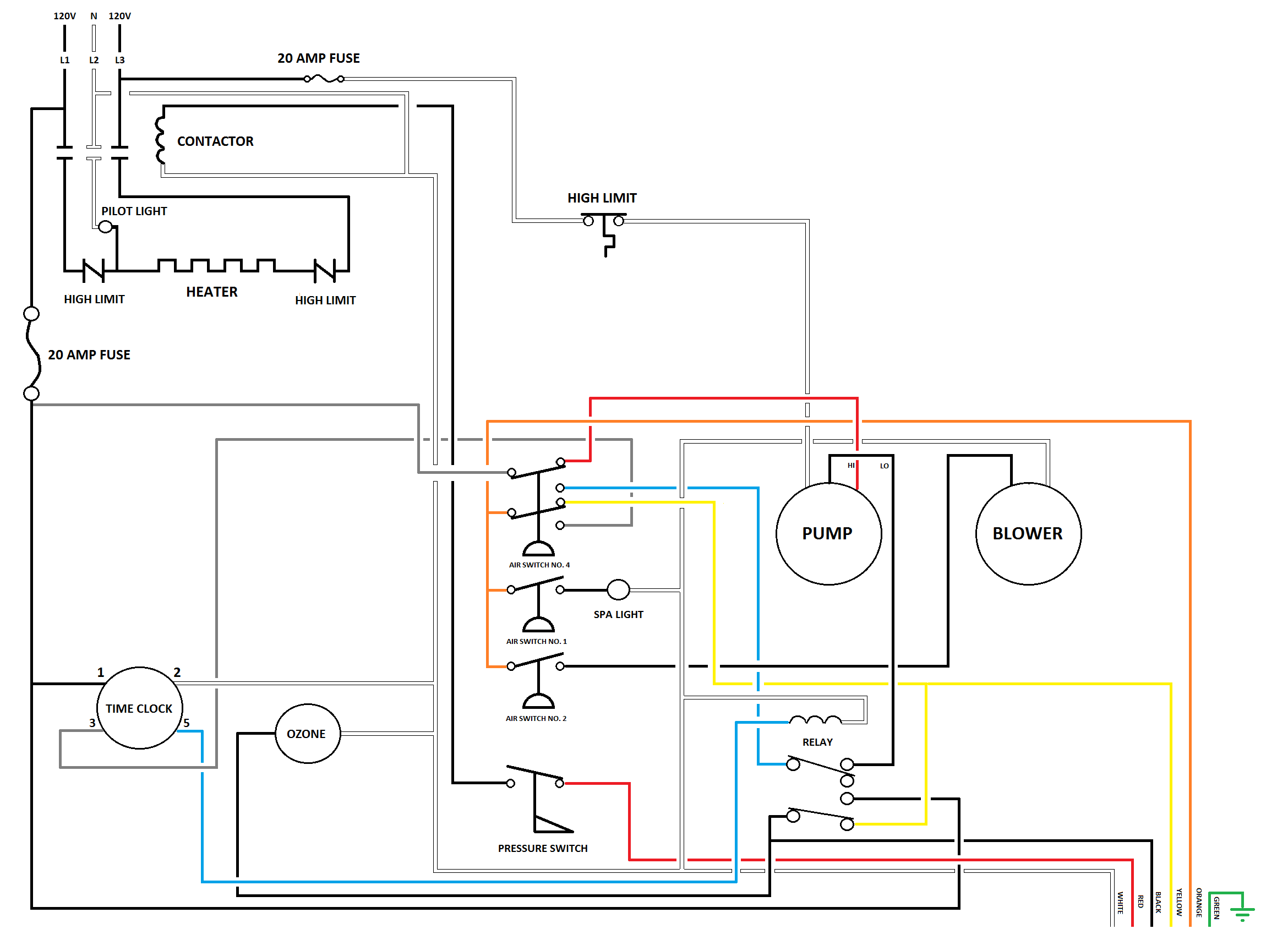
Wiring Diagram For A Hot Tub
The wiring diagram for a hot tub typically includes details on how to connect the power supply, control panel, heater, pump, and any additional features such as lights or jets. It will also indicate the proper voltage and amperage requirements for each component.
When following a wiring diagram for your hot tub, make sure to use the appropriate gauge of wire and follow all local electrical codes. It’s also a good idea to have a licensed electrician inspect your wiring work to ensure it meets safety standards and regulations.
Properly wiring your hot tub is essential for both safety and performance. A well-executed wiring setup will ensure that your hot tub operates efficiently and safely, providing you with years of enjoyment and relaxation in your backyard oasis.
In conclusion, having a clear and accurate wiring diagram for your hot tub is key to a successful installation. By following the diagram carefully and seeking professional help when needed, you can enjoy your hot tub worry-free knowing that it’s wired correctly and safely.
Download and Print Wiring Diagram For A Hot Tub Listed below




