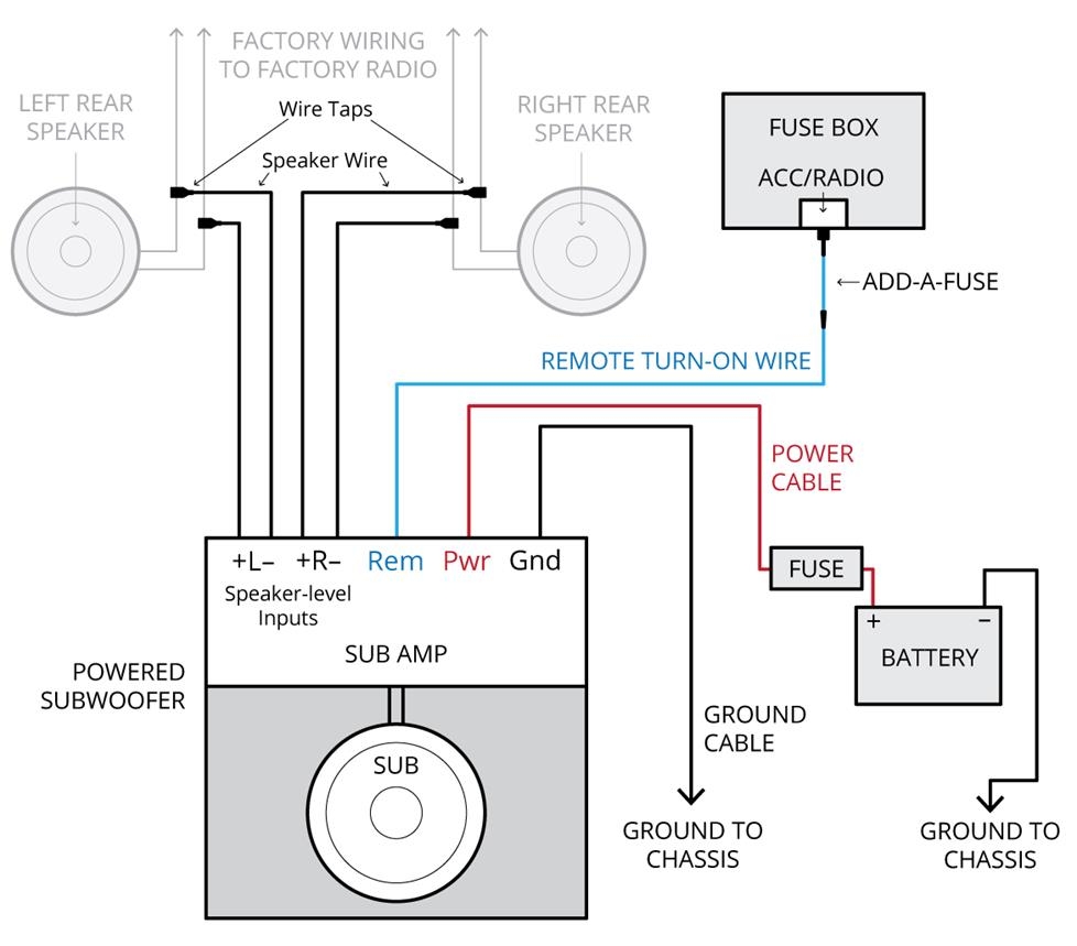
Are you looking to upgrade your car stereo system with an amplifier but not sure how to wire it up? Don’t worry, we’ve got you covered with a simple and easy-to-follow wiring diagram that will have you rocking out in no time!
Adding an amplifier to your car stereo can greatly improve the sound quality and overall listening experience. With the right wiring setup, you can make sure that your amplifier is getting the power it needs to deliver crystal clear sound.

Related Post Wiring Diagram Of Pressure Switch
Next, you’ll want to connect the power wire from the amplifier to the positive terminal of the car battery. Make sure to use an appropriate fuse near the battery terminal to protect your system from any electrical issues.
Then, connect the ground wire from the amplifier to a solid metal grounding point in your car. This will help prevent any unwanted noise or interference in your audio system. Remember to secure the ground wire tightly for a good connection.
Finally, connect the RCA cables from the stereo head unit to the amplifier. This will allow the audio signal to travel from the head unit to the amplifier for amplification. Make sure to properly match the input and output channels for the best sound quality.
Once everything is connected and secured, you can reconnect the negative terminal of your car battery and test out your new amplifier setup. Adjust the settings on your amplifier and head unit to find the perfect sound balance for your listening pleasure.
With this simple wiring diagram, you can easily install an amplifier in your car stereo system and enjoy enhanced sound quality on all your drives. So go ahead, crank up the volume and hit the road with your favorite tunes playing loud and clear!
Download and Print Wiring Diagram For Amplifier Car Stereo Listed below


