If you’re looking to wire up a trailer with a 6 pin connector, you’ve come to the right place. Understanding the wiring diagram is crucial to ensure everything is connected correctly and functions properly. Trailer wiring can seem daunting at first, but with the right information and a bit of patience, you’ll be able to […]
3-Phase 12 Lead Motor Wiring Diagram
So you’ve got a 3-phase 12 lead motor and you’re looking for a wiring diagram to help you get it set up properly. Well, you’ve come to the right place! In this article, we’ll walk you through the steps to wire up your motor like a pro. Before we dive into the nitty-gritty details of […]
Wiring Harness 4 Wire O2 Sensor Wiring Diagram
Are you looking for a wiring harness 4 wire O2 sensor wiring diagram? You’ve come to the right place! Understanding how to properly wire your O2 sensor is crucial for your vehicle’s performance. Whether you’re a seasoned mechanic or a DIY enthusiast, having the right wiring diagram can make the process much easier. Let’s dive […]
Wiring Diagram For Xlr Connector
Are you looking for a wiring diagram for an XLR connector? You’ve come to the right place! XLR connectors are commonly used in audio equipment, such as microphones and speakers, and having the right wiring diagram is essential for proper installation. Whether you’re a musician setting up your home studio or a sound engineer working […]
Wiring Diagram For Bennett Trim Tabs
If you’re a boat owner looking to improve the performance of your trim tabs, having a wiring diagram for Bennett trim tabs can be incredibly helpful. Understanding how to properly wire your trim tabs can ensure they work efficiently and effectively. By following a wiring diagram for Bennett trim tabs, you can easily navigate the […]
Gm Turn Signal Switch Wiring Diagram
If you’ve been having issues with your GM vehicle’s turn signal switch, understanding the wiring diagram can be a game-changer. By knowing how everything connects, you can troubleshoot and fix any problems that may arise. Whether you’re a seasoned DIY mechanic or just looking to save some money on repairs, having access to the wiring […]
Marx Train Small Red And Yellow Maintenance Car Wiring Diagram
Have you ever found yourself in need of a wiring diagram for your Marx Train Small Red and Yellow Maintenance Car? Look no further! In this article, we will discuss everything you need to know about the wiring diagram for this particular model. Marx trains are known for their durability and timeless design, making them […]
F150 Free Ford Wiring Diagrams
Looking for free Ford wiring diagrams for your F150? You’ve come to the right place! Understanding the electrical system of your truck is crucial for troubleshooting and making repairs. Luckily, there are resources available online that can provide you with the information you need. With the advancement of technology, accessing wiring diagrams has become easier […]
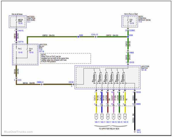
2023 Ford Upfitter Switches Wiring Diagram
If you’re a proud owner of a 2023 Ford truck and looking to customize it with additional accessories, you may need to install upfitter switches. These switches allow you to easily control aftermarket equipment like lights, winches, or air compressors. Having a wiring diagram for your 2023 Ford upfitter switches can make the installation process […]
2 Wire Well Pump Wiring Diagram
If you’re in need of a reliable water supply for your home, a 2 wire well pump is a great option. These pumps are designed to efficiently pump water from deep underground, providing you with a constant supply of clean water. Installing a 2 wire well pump may seem daunting at first, but with the […]