If you’re looking to upgrade or repair the radio wiring in your Dodge Ram 1500, you’ve come to the right place. In this article, we’ll provide you with a free wiring diagram to help you get the job done. Having a clear understanding of your radio wiring is essential for any DIY project. Whether you’re […]
7 Pin Trailer Wiring Diagram With Brakes
Are you looking to hook up your trailer with brakes for a smooth and safe towing experience? Understanding how to wire a 7-pin trailer with brakes is essential for any trailer owner. With the right diagram and a bit of know-how, you’ll be on the road in no time! Having brakes on your trailer is […]
2008 Bmw 328Xi Dme Wiring Diagram
If you’re a proud owner of a 2008 BMW 328Xi, then you know how important it is to have the right wiring diagram for your car. Whether you’re a DIY enthusiast or a mechanic, having the right information at your fingertips can make all the difference. When it comes to the DME (Digital Motor Electronics) […]
Wiring Diagram For A Furnace
If you’re looking for a guide on how to wire a furnace, you’ve come to the right place. Understanding the wiring diagram for a furnace is crucial for proper installation and maintenance. Whether you’re a DIY enthusiast or a professional HVAC technician, having a clear understanding of the wiring diagram is essential to ensure the […]
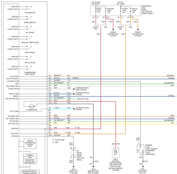
Pinout Gm Instrument Cluster Wiring Diagram
If you’re looking for a Pinout GM instrument cluster wiring diagram, you’ve come to the right place. Understanding the wiring diagram for your GM instrument cluster can help you troubleshoot any issues you may be experiencing. Whether you’re a car enthusiast or a DIY mechanic, having access to the wiring diagram can make your life […]
Boat Marine Dual Battery Switch Wiring Diagram
Looking to upgrade the electrical system in your boat? One essential component to consider is a marine dual battery switch. This handy device allows you to switch between two batteries or combine them for extra power when needed. Whether you’re a seasoned boater or just starting out, understanding the wiring diagram for a boat marine […]
Simple Car Stereo Wiring Diagram
Have you ever wanted to install a new stereo in your car but felt intimidated by the thought of dealing with complicated wiring diagrams? Well, fear not! In this article, we will provide you with a simple car stereo wiring diagram that anyone can follow. Whether you’re a car enthusiast or just someone looking to […]
6 Pin Trailer Plug Wiring Diagram
Are you looking to wire up your 6 pin trailer plug but not sure where to start? Don’t worry, we’ve got you covered! In this article, we’ll walk you through a simple and easy-to-follow 6 pin trailer plug wiring diagram. Whether you’re a beginner or a seasoned DIY enthusiast, understanding how to wire a 6 […]
3 Way Ceiling Fan Switch Wiring Diagram
If you’re looking to install a ceiling fan and need help with the wiring, you’ve come to the right place! In this guide, we’ll walk you through a 3-way ceiling fan switch wiring diagram that will make the process a breeze. Whether you’re a seasoned DIY-er or a newbie to home improvement projects, understanding how […]
Travel Trailer 50 Amp Rv Plug Wiring Diagram
Planning a road trip with your travel trailer and need to ensure your 50 amp RV plug is wired correctly? Look no further! Understanding the wiring diagram is crucial for a safe and successful journey. Whether you’re a seasoned RV enthusiast or a newbie to the world of travel trailers, having a basic knowledge of […]