Year: 2024

Wiring

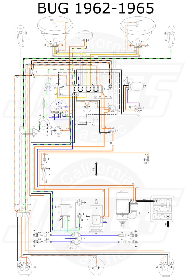
Wiring Diagram For 1965 Vw Type 1 Bug

If you’re a proud owner of a 1965 VW Type 1 Bug and need help with the wiring diagram, you’ve come to the right place! Understanding the wiring system in your classic Bug is essential for keeping it running smoothly. Whether you’re a seasoned DIY enthusiast or a newbie looking to learn more about your […]

Wiring

Wiring Diagram For Rj45 Connector

If you’ve ever needed to set up a network connection, you’ve probably come across an RJ45 connector. It’s a small but crucial piece of hardware that allows you to connect your devices to the internet. But how do you know which wires go where? That’s where a wiring diagram for an RJ45 connector comes in […]

Wiring

2 Lamp Ballast Wiring Diagram

If you’re looking to understand how to wire a lamp ballast, you’ve come to the right place! Wiring a lamp ballast can seem intimidating at first, but with the right guidance, it can be a straightforward process. In this article, we’ll walk you through the steps to wire a lamp ballast properly. Whether you’re a […]

Wiring

Warn Winch Solenoid Wiring Diagram

When it comes to off-roading adventures, having a reliable winch on your vehicle can be a game-changer. Warn winches are known for their quality and durability, but understanding the wiring diagram for the solenoid is essential for proper installation and operation. Whether you are a seasoned off-roader or new to the world of winching, knowing […]

Wiring

2003 Silverado Stereo Wiring Diagram

If you’re looking to upgrade the stereo system in your 2003 Silverado, you’ll need a wiring diagram to help you navigate the installation process. Having the right diagram can make all the difference in getting your new stereo up and running smoothly. With the 2003 Silverado Stereo Wiring Diagram in hand, you’ll be able to […]

Wiring

Delco Remy Alternator Wiring Diagram

If you’re looking for a Delco Remy alternator wiring diagram, you’ve come to the right place! Understanding how to properly wire your alternator is crucial for ensuring your vehicle runs smoothly and efficiently. Whether you’re a car enthusiast or a DIY mechanic, having access to a reliable wiring diagram can make a world of difference […]

Wiring

Wiring Diagram For Electric Fan

Are you looking for a wiring diagram for an electric fan? You’ve come to the right place! Whether you’re a DIY enthusiast or a professional electrician, having a clear wiring diagram is essential for a successful installation. Electric fans are a popular choice for cooling systems in homes, offices, and vehicles. They are energy-efficient, cost-effective, […]

Wiring

Carrier Air Handler Wiring Diagram

Looking to understand how to wire your Carrier air handler? You’ve come to the right place! In this article, we’ll break down the process of wiring your Carrier air handler step by step. Whether you’re a seasoned DIY enthusiast or a newbie looking to tackle a new project, learning how to wire your Carrier air […]

Wiring

3 And 4 Way Switch Wiring Diagram Pdf

Have you ever wondered how to wire a 3 and 4 way switch in your home? Understanding the wiring diagram is essential for proper installation and functionality. In this article, we will break down the process in a simple and easy-to-understand way. Whether you are a DIY enthusiast or a professional electrician, having a clear […]

Wiring

Electric Hot Water Heater Wiring Diagram

If you’re looking to install an electric hot water heater in your home, understanding the wiring diagram is crucial. Without the correct wiring, your water heater may not function properly or could even be a safety hazard. Electric hot water heaters are a popular choice for many homeowners due to their efficiency and reliability. They […]

Back To Top