Year: 2024

Wiring

Rv Dual Battery Wiring Diagram

If you’re a proud owner of an RV, you know the importance of having a reliable electrical system on the road. One crucial component of that system is the dual battery setup. Properly wiring your RV dual battery system is essential for ensuring a smooth and uninterrupted power supply during your adventures. Whether you’re a […]

Wiring

Wiring Diagram For Switch Outlet Combo

Are you looking to install a switch outlet combo in your home but aren’t sure how to wire it up? Don’t worry, we’ve got you covered! In this article, we’ll provide you with a clear and easy-to-follow wiring diagram for a switch outlet combo. Before we dive into the wiring diagram, let’s first understand what […]

Wiring

2 Wire Hei Distributor Wiring Diagram

If you’re looking to upgrade your vehicle’s ignition system, understanding how to wire a 2 wire HEI distributor is crucial. This process can seem daunting at first, but with the right guidance, you’ll be able to tackle it with ease. HEI, which stands for High Energy Ignition, is a popular choice among car enthusiasts for […]

Wiring

Universal Turn Signal Wiring Diagram

If you’re looking to install universal turn signals on your vehicle, having a wiring diagram can make the process much easier. Understanding how to properly wire your turn signals is crucial for safety on the road. With a universal turn signal wiring diagram, you can easily identify the wires and connectors needed to complete the […]

Wiring

Dual Axle Trailer Brake Wiring Diagram

Are you looking to understand how to wire a dual axle trailer brake? Look no further. In this article, we will provide you with a detailed dual axle trailer brake wiring diagram to help you get the job done. Having a properly wired trailer brake system is essential for safe towing. It ensures that your […]

Wiring

Wiring Diagram For A Warn Winch

If you’re in the market for a new winch for your truck or ATV, you’ve probably come across the Warn brand. Known for their durability and reliability, Warn winches are a popular choice among off-road enthusiasts. But once you’ve purchased your Warn winch, you’ll need to know how to properly install it. That’s where a […]

Wiring

Mercury Outboard Wiring Harness Diagram

Are you looking for a Mercury outboard wiring harness diagram to help you with your boat’s electrical system? You’ve come to the right place! Understanding how the wiring harness works is crucial for maintaining and troubleshooting your outboard motor. Whether you’re a seasoned boater or a beginner, having a clear diagram can make a world […]

Wiring

4 Speed Blower Motor Wiring Diagram

Are you looking for a simple and easy-to-follow guide on how to wire a 4 speed blower motor? You’ve come to the right place! In this article, we will provide you with a step-by-step wiring diagram that will help you get your blower motor up and running in no time. Before we dive into the […]

Wiring

Wiring Diagram Of Two Way Switch

If you’ve ever wondered how to wire a two-way switch, you’re in the right place! Two-way switches are commonly used in homes to control a single light or group of lights from multiple locations. Understanding the wiring diagram of a two-way switch is essential for proper installation and functionality. It may seem complicated at first, […]

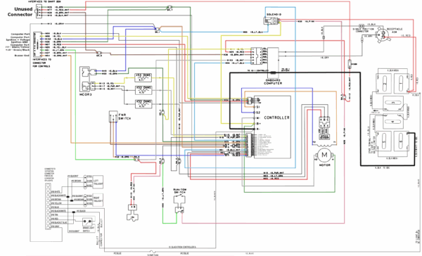
Wiring

Club Car Wiring Diagram 48 Volt Pdf

If you’re a DIY enthusiast looking to tackle some electrical work on your Club Car golf cart, having access to a wiring diagram is crucial. With the right diagram, you’ll be able to navigate the complex network of wires and connections with ease. One popular resource for Club Car wiring diagrams is the 48 volt […]

Back To Top