If you’re looking to wire up your Ford vehicle for towing, understanding the 7 prong trailer wiring diagram is crucial. This diagram outlines the connections needed for your trailer lights, brakes, and other accessories. Having a clear understanding of the wiring diagram will ensure that your trailer is properly connected to your Ford vehicle, allowing […]
Wiring Diagram For Neutral Safety Switch
If you’re having issues with your vehicle starting or shifting gears, it might be time to check the neutral safety switch. This important component ensures that your car only starts in park or neutral, preventing any accidents. Understanding the wiring diagram for the neutral safety switch is crucial for troubleshooting and fixing any problems that […]
50 Amp Rv Wiring Diagram
Planning to set up a 50 amp RV wiring system? Understanding the wiring diagram is crucial for a safe and efficient setup. Whether you’re a newbie or an experienced RVer, having a clear diagram can make the process a breeze. With the right diagram in hand, you can easily navigate the complexities of a 50 […]
Leviton Light Switch Wiring Diagram
Are you looking to install a new light switch in your home? Understanding how to properly wire a Leviton light switch is essential for a successful installation. With the right tools and knowledge, you can easily tackle this DIY project and upgrade the lighting in your space. Before getting started, it’s important to have a […]
120 Volt Well Pump Pressure Switch Wiring Diagram
Looking to install a 120 volt well pump pressure switch and need a wiring diagram to guide you through the process? You’ve come to the right place! In this article, we’ll walk you through the steps to wire your pressure switch correctly. Before we dive into the wiring diagram, let’s first understand the basics. A […]
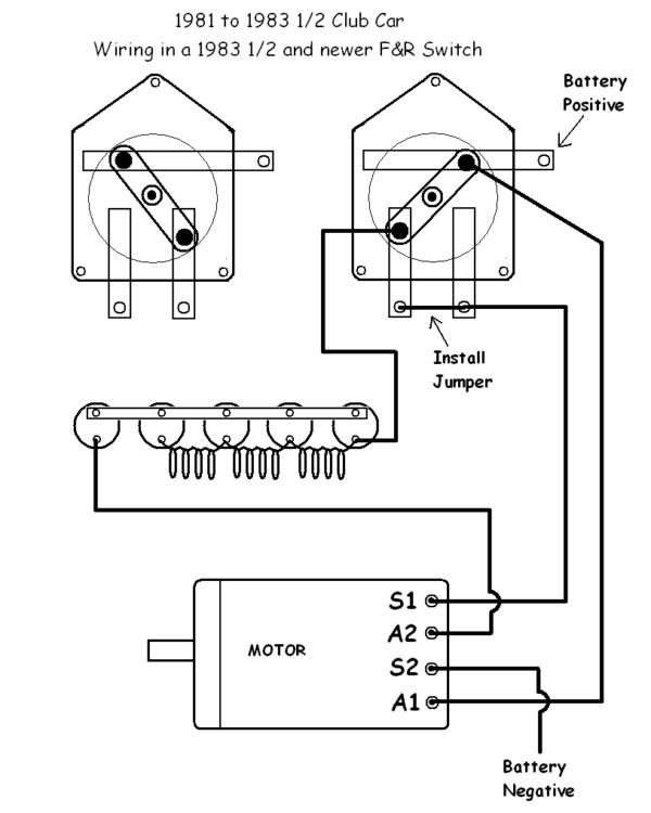
36V Club Car Wiring Diagram 36 Volt
If you’re looking for a reliable and efficient way to wire your 36V Club Car, you’ve come to the right place! Having a clear wiring diagram is essential to ensure your golf cart runs smoothly and safely. With the 36V Club Car Wiring Diagram 36 Volt, you can easily follow the step-by-step instructions to set […]
Amp Research Power Step Wiring Diagram
If you’re looking to install Amp Research Power Steps on your vehicle, you’ll need a wiring diagram to guide you through the process. Wiring diagrams are essential in ensuring that the installation is done correctly and safely. By following a wiring diagram, you can easily identify the correct wires and connections needed for the installation. […]
Well Water Pump Wiring Diagram
Are you looking to install a well water pump at home but feeling overwhelmed by the wiring process? Well, you’ve come to the right place! Understanding the well water pump wiring diagram is crucial to ensure your pump functions correctly and efficiently. Proper wiring is essential to prevent any electrical hazards and ensure your pump […]
Pr380 Fan Relay Wiring Diagram
If you’re looking to install a PR380 fan relay in your home, you may be wondering how to properly wire it up. Understanding the wiring diagram is key to ensuring your fan operates efficiently and safely. With the PR380 fan relay wiring diagram, you can easily connect the relay to your fan and power source. […]
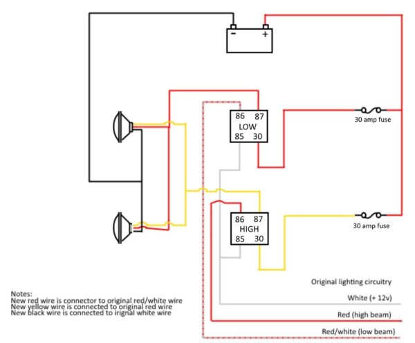
Headlight High Beam Low Beam Wiring Diagram
Are you having trouble with your car’s headlight high beam and low beam wiring? Understanding how these components work together is crucial for proper functioning. In this article, we will discuss the headlight high beam low beam wiring diagram to help you troubleshoot any issues you may encounter. When it comes to your vehicle’s headlights, […]