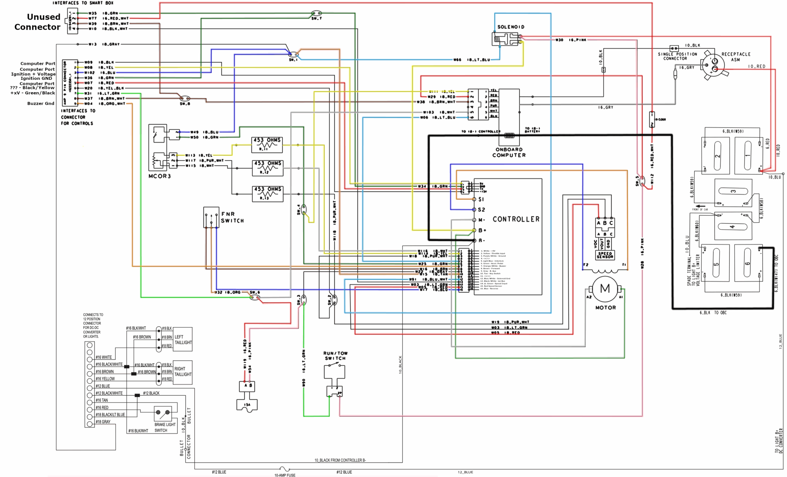
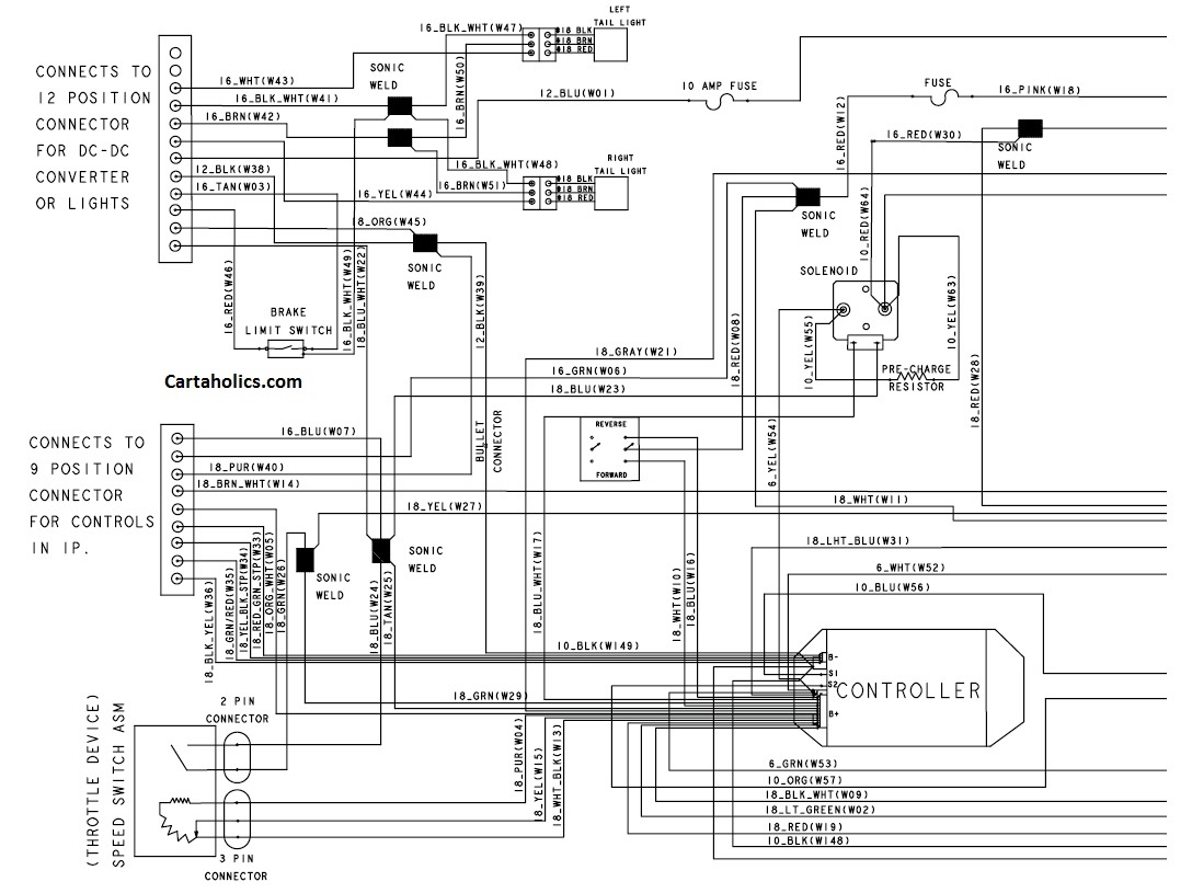
Looking to upgrade your Club Car golf cart with a new 48V wiring diagram? You’ve come to the right place! With the right diagram, you can easily install new accessories or troubleshoot any electrical issues.
Club Car is a popular choice for golf cart enthusiasts due to its durability and performance. By having a proper wiring diagram, you can ensure that your cart runs smoothly and efficiently, without any unexpected hiccups.

Related Post 2005 Ford F250 Fan Clutch Wiring Diagram
With a detailed wiring diagram in hand, you can easily identify any faulty connections or components that may be causing issues with your Club Car. This will save you time and money on repairs, allowing you to get back on the road in no time.
Whether you’re a DIY enthusiast or a professional mechanic, having a quality wiring diagram is essential for maintaining your Club Car golf cart. Don’t let electrical issues slow you down – invest in a reliable diagram and keep your cart running smoothly for years to come.
In conclusion, a Club Car 48V wiring diagram is a valuable tool for any golf cart owner. By having a clear and detailed diagram, you can ensure that your cart is operating at its best and avoid any unnecessary downtime. So don’t wait any longer – upgrade your wiring diagram today and enjoy a smooth ride on the golf course!
Download and Print Club Car 48V Wiring Diagram Listed below




