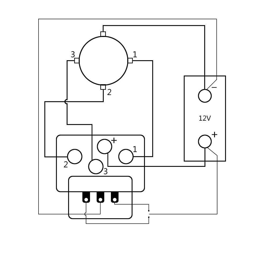
Are you in need of a wiring diagram for your 12V winch? Look no further! Whether you’re a seasoned pro or a newbie to winching, having the right wiring diagram is essential for getting the job done right.
With the right wiring diagram, you can ensure that your winch is properly connected to your vehicle’s electrical system, preventing any potential accidents or damage. It’s always better to be safe than sorry when it comes to electrical work!

Related Post Kawasaki 220 Bayou Wiring Diagram
Next, make sure you have the necessary tools on hand, such as wire strippers, crimping tools, and electrical tape. Properly securing and insulating your connections is crucial to preventing any issues down the line.
It’s also important to double-check your connections before powering up your winch. A simple mistake in wiring can lead to serious consequences, so take your time and ensure everything is in the right place.
Once you’ve confirmed that everything is properly connected, it’s time to test your winch. Make sure it is operating smoothly and that all functions are working as they should. If you encounter any issues, refer back to the wiring diagram and troubleshoot accordingly.
In conclusion, having the right wiring diagram for your 12V winch is essential for a safe and successful installation. By following the manufacturer’s instructions, using the proper tools, and testing your connections, you can ensure that your winch is ready to tackle any job that comes its way.
Download and Print Wiring Diagram For 12V Winch Listed below




