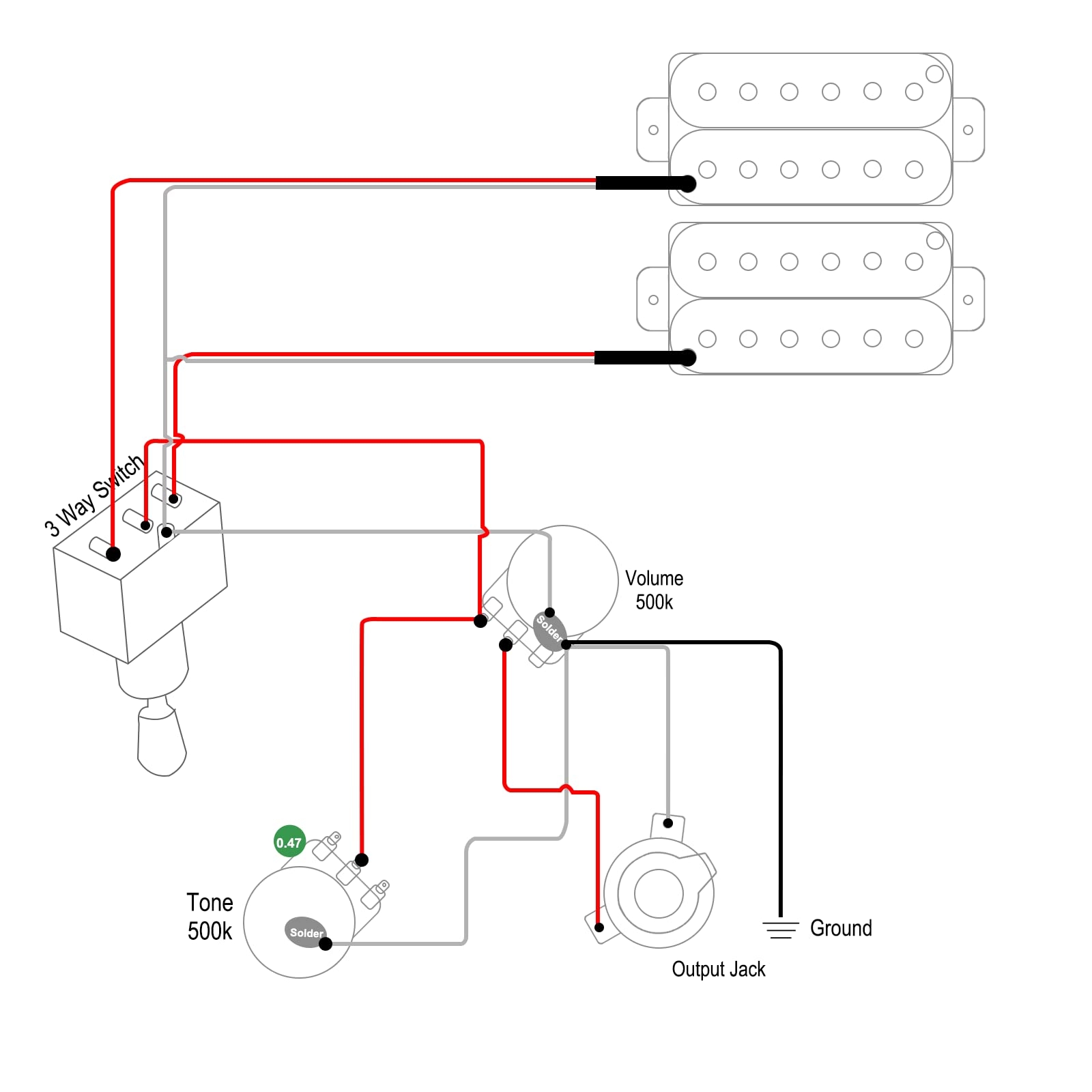
If you’re looking to wire a 3 way toggle switch but don’t know where to start, you’ve come to the right place. In this article, we’ll walk you through a simple wiring diagram to help you get the job done.
Whether you’re a DIY enthusiast or a beginner looking to learn more about electrical work, understanding how to wire a 3 way toggle switch can come in handy for various projects around the house. With the right tools and a little guidance, you’ll be able to tackle this task with ease.

Related Post Trailer Wiring Diagram With Breakaway Switch
1. Start by connecting the power source to the common terminal of the toggle switch. This is usually the black wire in the circuit.
2. Next, connect the traveler wires to the remaining terminals on the switch. These wires are typically red and white, but colors may vary depending on your setup.
3. Finally, connect the other end of the traveler wires to the corresponding terminals on the light fixture or other device you’re controlling with the switch.
Once you’ve completed these steps, you should have a functional 3 way toggle switch that allows you to control a light or other device from multiple locations. Remember to test the switch to ensure everything is working properly before securing the wires in place.
With this wiring diagram and some basic tools, you’ll be able to confidently wire a 3 way toggle switch in no time. Whether you’re updating your home’s lighting system or tackling a new DIY project, this skill will serve you well in a variety of situations.
So, next time you need to wire a 3 way toggle switch, refer back to this guide for a quick and easy solution. Happy wiring!
Download and Print 3 Way Toggle Switch Wiring Diagram Listed below




