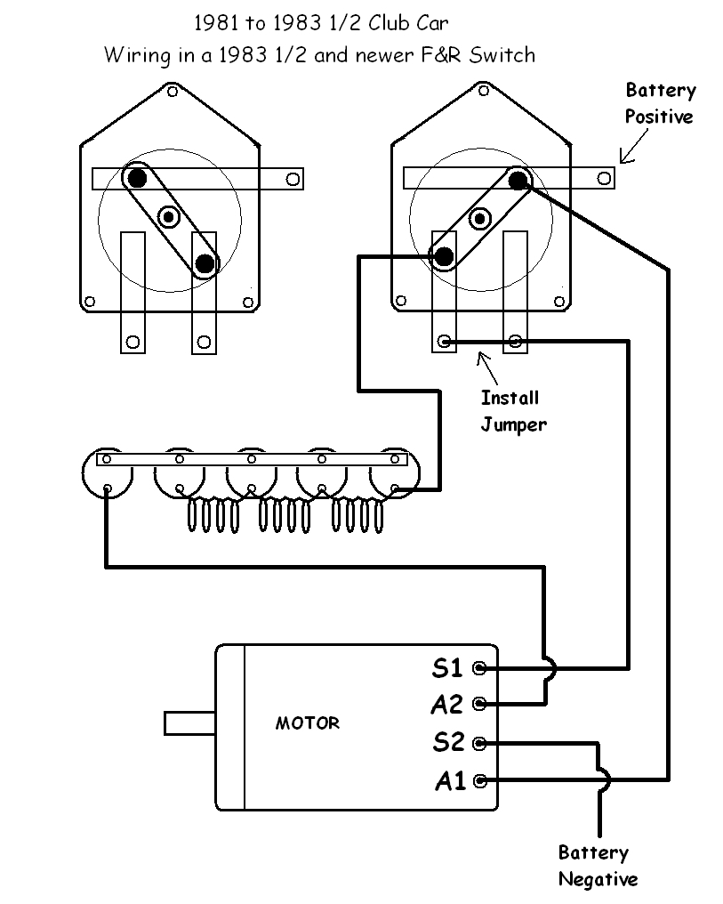
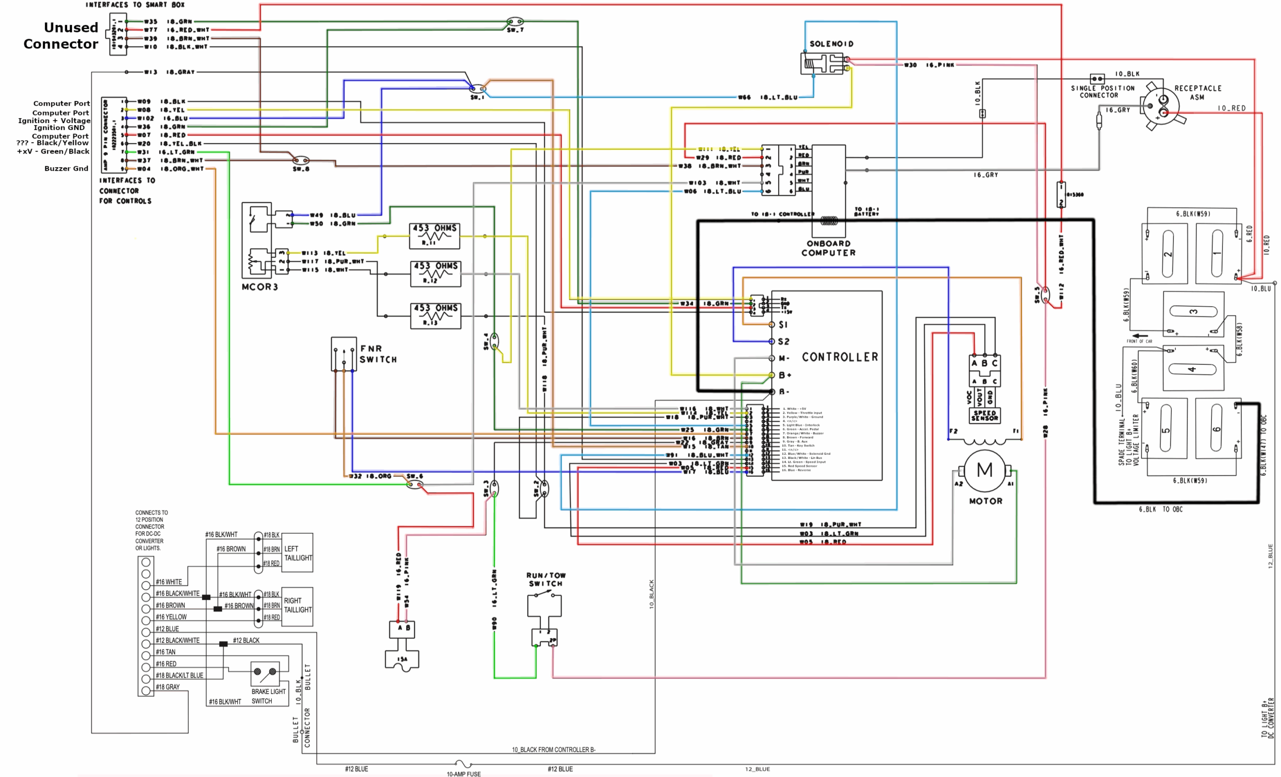
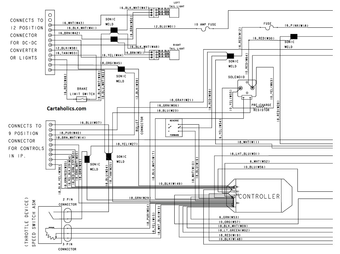
If you’re looking for a comprehensive guide on Club Car DS wiring diagrams, you’ve come to the right place! Understanding the wiring of your Club Car DS can help you troubleshoot any electrical issues and make modifications with ease.
Whether you’re a seasoned DIY enthusiast or a newbie in the world of golf carts, having access to a clear and detailed wiring diagram is essential. It can save you time, money, and frustration down the road.

Related Post 3 Speed Ceiling Fan Pull Chain Switch Wiring Diagram
One of the most important things to remember when working on your Club Car DS wiring is safety. Always disconnect the battery before making any modifications or repairs to prevent any accidents or damage to your cart.
If you’re unsure about any part of the wiring diagram or how to proceed with a specific repair or modification, don’t hesitate to seek help from a professional or consult online resources. It’s better to be safe than sorry when it comes to electrical work.
By familiarizing yourself with the wiring diagram of your Club Car DS, you’ll be better equipped to tackle any electrical issues that may arise. Whether it’s a faulty connection, a blown fuse, or a need for a custom modification, having a clear understanding of the wiring is key.
In conclusion, having a reliable Club Car DS wiring diagram at your disposal is a valuable resource for any golf cart owner. With the right information and precautions in place, you can confidently tackle any electrical project and keep your Club Car running smoothly for years to come.
Download and Print Club Car Ds Wiring Diagram Listed below




